- 上海良大閥門有限公司
- 電話:021-51875578
- 傳真:021-57443237
- 手機:13916747333
- 郵箱:a15566@126.com
- 地址:奉賢區工業綜合開發區942號
當前位置:首頁 >> 球閥
>> 三通球閥 >> 雙相鋼Y型三通球閥 更新時間 2025-5-10 0:43:31
三通球閥
| 雙相鋼Y型三通球閥 |
![]() |
產品名稱: | 雙相鋼Y型三通球閥 | |||||
| 型號: | Q42Y | ||||||
| 口徑: | DN50-400 | ||||||
| 壓力: | 1.6-6.4MPa | ||||||
| 材質: | 雙相鋼 | ||||||
|
|||||||
| 您正在瀏覽:【雙相鋼Y型三通球閥】 | |||||||
雙相鋼Y型三通球閥詳細介紹
雙相鋼Y型三通球閥產品概述:
雙相鋼Y型三通球閥是一種主閥體、支管體、閥蓋、帶柄球體以及金屬閥座等主要部件由2205、2507或ASTM A995 GRADE 4A(CD3MN)、5A(CE3MN)、6A(CD3MWCuN)及ASTM A182 F51(S31803)、F53(S32750)、F55(S32760)、F60(S32205)等材質鑄造或鍛造而成,具有一個入口和兩個出口,適用于Y形管路中介質流向切換的雙相不銹鋼Y型三通球閥,其閥體中設有兩通孔成120度或135的角的球體以及具有一進兩出的三個管口的流體通道,可以實現二種不同流向切換,且密封性能好,使用時間長,流體流動阻力小,便于流道的清理。
雙相鋼Y型三通球閥主體所使用的材料為由鐵素體和奧氏體兩相按適當的比例構成的雙相不銹鋼,它不但有優良的耐點蝕、縫隙蝕、應力腐蝕性能,而且增加了強度和韌性,因此,本產品特適用于工作介質為含氯化物、H?S、CO?等腐蝕性的液體、氣體或顆粒狀物料,以及適合在海水等包含氯離子的濕潤環境中使用。

雙相鋼Y型三通球閥零件材料:

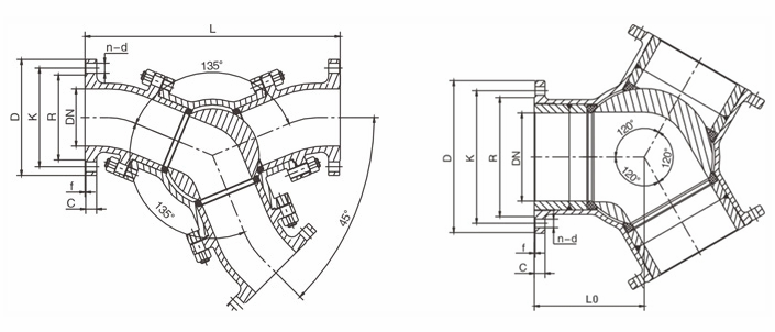
雙相鋼Y型三通球閥外形結構圖:

雙相鋼Y型三通球閥外形尺寸表:

雙相鋼Y型三通球閥產品參數:
尊敬的客戶!如果您需要訂購我公司雙相鋼Y型三通球閥產品,咨詢時請提供結構類型、公稱尺寸、公稱壓力、閥體和內件材料、使用介質及組分、工作溫度、驅動方式(手動、蝸輪傳動、氣動、電動、液動等)、法蘭標準及密封面形式等,本產品可采用國標、美標、德標、日標等設計標準制造。
提示:本文中所有文字、數據、圖片均只適用于參考,需要了解更詳細的【雙相鋼Y型三通球閥】參數、選型、價格等請聯系我們,我們將竭誠為您服務!



















