- 上海良大閥門有限公司
- 電話:021-51875578
- 傳真:021-57443237
- 手機:13916747333
- 郵箱:a15566@126.com
- 地址:奉賢區工業綜合開發區942號
當前位置:首頁 >> 過濾器
>> 管道過濾器 >> 臥式籃式過濾器 更新時間 2025-5-10 0:41:10
管道過濾器
| 臥式籃式過濾器 |
![]() |
產品名稱: | 臥式籃式過濾器 | |||||
| 型號: | LPGW | ||||||
| 口徑: | DN100-1000 | ||||||
| 壓力: | 0.6-10.0MPa | ||||||
| 材質: | 鑄鋼、不銹鋼等 | ||||||
|
|||||||
| 您正在瀏覽:【臥式籃式過濾器】 | |||||||
臥式籃式過濾器詳細介紹
臥式籃式過濾器產品概述:
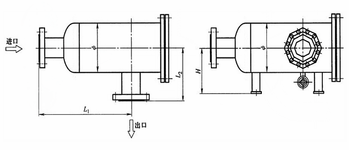
臥式過濾器是一種臥式安裝適用于介質為液體的管道用籃式過濾器,由封頭和筒體組成殼體,其左側和正面方向分別設有流體進口和出口,殼體內置有有利于機械雜質分離沉降的濾芯,并經側蓋和殼體右側端蓋法蘭通過緊固螺母壓緊固定,工作時,待處理液體從左側進液口進入過濾器內,經過置有一定規格濾網的濾筒后將固體雜質濾除掉,從出液口流出即可,當需要清洗時,只要將可拆卸的側蓋打開,把濾芯從筒體內抽出,處理后重新裝入即可,因此,使用維護極為方便。
臥式籃式過濾器產品特點:
臥式過濾器是我廠選用JB/T 7538-2016管道用籃式過濾器標準設計制造的一款產品,其采用雙層過濾網結構,一層是由不銹鋼冷軋鋼板沖制成粗間隙圓孔篩板卷制而成的濾筒,另層為使用細間隙金屬絲編織方孔篩網制做的濾網,可以對液體中的大小顆粒雜質同時進行過濾,能夠給予雙重的保護,本產品具有過濾面積大,過濾芯的凈過流面積為進口截流面積的3~10倍,壓力損失小,排污清洗方便等特點,特別適合固體雜質含量較多的工作介質,宜安裝在有90°流向變化處。
臥式籃式過濾器性能規范:

臥式籃式過濾器零件材料:

臥式籃式過濾器外形結構圖:

臥式籃式過濾器外形尺寸表:

臥式籃式過濾器訂貨參數:
尊敬的客戶!如果您需要訂購我公司臥式籃式過濾器產品,咨詢時請提供型號數據,公稱直徑、公稱壓力、殼體材質、濾籃材質及過濾精度、法蘭標準、法蘭密封面形式等。本系列產品按功能類別不同有LPG(W)型臥式普通過濾器和LPGK(W)型臥式快開過濾器兩種,如有特殊要求,請來電咨詢。
提示:本文中所有文字、數據、圖片均只適用于參考,需要了解更詳細的【臥式籃式過濾器】參數、選型、價格等請聯系我們,我們將竭誠為您服務!



















