- 上海良大閥門有限公司
- 電話:021-51875578
- 傳真:021-57443237
- 手機:13916747333
- 郵箱:a15566@126.com
- 地址:奉賢區工業綜合開發區942號
當前位置:首頁 >> 保溫閥門
>> 保溫球閥 >> 保溫夾套球閥 更新時間 2025-5-10 0:38:31
保溫球閥
| 保溫夾套球閥 |
![]() |
產品名稱: | 保溫夾套球閥 | |||||
| 型號: | BQ41F | ||||||
| 口徑: | DN15-200 | ||||||
| 壓力: | 1.6-4.0MPa | ||||||
| 材質: | 碳鋼、不銹鋼等 | ||||||
|
|||||||
| 您正在瀏覽:【保溫夾套球閥】 | |||||||
保溫夾套球閥詳細介紹
保溫夾套球閥產品概述:
保溫球閥也稱夾套球閥,是在球閥的基礎上焊裝金屬夾套,用于注入蒸汽或其它保溫、保冷介質,確保閥內介質能夠正常工作。保溫夾套球閥具有良好的保溫保冷特性,且閥門的通徑與管徑一致,同時又能有效降低管路中介質熱量損失。保溫夾套球閥主要用于石油、化工、冶金、制藥、食品等各類系統中,以輸送常溫下會凝固的重油、膠類等高粘度介質。
保溫夾套球閥結構特點:
1、保溫夾套球閥采用整體式夾套結構設計,更能均勻地保溫、保冷,比一般球閥體積更小,重量更輕,且無外漏,密封性能良好,夾套采用碳素鋼管焊接比鑄造的更加耐壓牢固。 夾套、閥體外側與夾套接管焊接,允許蒸汽或冷水的高壓力為1MPa。
2、保溫夾套球閥具有良好的保溫、保冷特性,除縮徑保溫球閥外,閥門的通徑和管徑一至,介質呈直線流動,阻力小,能有效降低管路中介質熱量的損失,因此,對容易凝固、高粘度的液體介質具有優良的性能。
保溫夾套球閥規范標準:
結構長度標準:GB/T 12221-2005、ASME B 16.10
連接法蘭標準:JB/T 79、GB/T 9113、ASME B 16.5
壓力溫度等級:GB/T 12224-2005
試驗檢驗標準:GB/T 13927-2008、JB/T9092、API 598
保溫夾套球閥零件材料:
| 序號 | 零件名稱 | 材質 | |
| GB | ASTM | ||
| 1 | 夾套 | 25 | 105 |
| 2 | 閥座 | WCB | A216-WCB |
| 3 | 閥體 | 25 | A105 |
| 4 | 密封圈 | PTFE、對位聚苯 | |
| 5 | 球體 | ||
| 6 | 閥桿 | 1Cr13 | A247-410 |
| 7 | 填料 | 柔性石墨 | |
| 8 | 填料壓蓋 | WCB | A216-WCB |
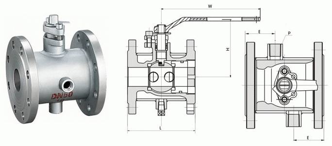
保溫夾套球閥外形結構圖:

保溫夾套球閥連接尺寸:
| 公稱通徑(DN) | d | L | D | E | Q | H | W | 管螺紋 | ||
| (mm) | (in) | (mm) | (in) | P | ||||||
| 20 | 3/4" | 19 | 117 | 40 | 1 1/2" | 58.5 | 147 | 101 | 170 | G3/4" |
| 25 | 1" | 25 | 127 | 50 | 2" | 62.5 | 156 | 106 | 170 | G3/4" |
| 40 | 1 1/2" | 38 | 165 | 65 | 2 1/2" | 63.5 | 181 | 125 | 250 | G3/4" |
| 50 | 2" | 51 | 178 | 80 | 3" | 68 | 218 | 135 | 250 | G3/4" |
| 80 | 3" | 76 | 229 | 150 | 6" | 82 | 275 | 193 | 350 | G3/4" |
| 100 | 4" | 102 | 254 | 200 | 8" | 83 | 300 | 265 | 420 | G3/4" |
| 150 | 6" | 152 | 292 | 250 | 10" | 95 | 403 | 355 | 1000 | G3/4" |
| 200 | 8" | 203 | 330 | 300 | 12" | 100 | 495 | 410 | 1300 | G3/4" |
| 備注 | 法蘭尺寸可按各種標準及用戶要求設計制造
|
|||||||||
提示:本文中所有文字、數據、圖片均只適用于參考,需要了解更詳細的【保溫夾套球閥】參數、選型、價格等請聯系我們,我們將竭誠為您服務!



















