- 上海良大閥門有限公司
- 電話:021-51875578
- 傳真:021-57443237
- 手機:13916747333
- 郵箱:a15566@126.com
- 地址:奉賢區工業綜合開發區942號
當前位置:首頁 >> 襯膠閥門
>> 襯膠蝶閥 >> 法蘭式襯膠蝶閥 更新時間 2025-5-10 0:32:21
襯膠蝶閥
| 法蘭式襯膠蝶閥 |
![]() |
產品名稱: | 法蘭式襯膠蝶閥 | |||||
| 型號: | D341J | ||||||
| 口徑: | DN50-1200 | ||||||
| 壓力: | 0.6-1.6MPa | ||||||
| 材質: | 鑄鐵、鑄鋼、不銹鋼等 | ||||||
|
|||||||
| 您正在瀏覽:【法蘭式襯膠蝶閥】 | |||||||
法蘭式襯膠蝶閥詳細介紹
法蘭式襯膠蝶閥產品概述:
D341J法蘭式襯膠蝶閥設計結構新穎,整體尺寸小,重量輕;蝶板采用雙偏心,啟閉迅速,操作輕便省力;蝶板與密封圈間無滑動摩擦,密封面耐磨損,使用壽命長,密封可靠,易調整。適用于溫度≤120℃,公稱壓力≤1.6MPa的食品、醫藥、化工、石油、電力、輕紡造紙等給排水、氣體管道上作調節流量和截流介質的作用。
法蘭式襯膠蝶閥產品特點:
1、設計新穎、合理、結構獨特,重量輕,啟閉迅速。
2、操力矩小,操作方便,省力靈巧。
3、可以任何位置安裝,維修方便。
4、密封件可以更換,密封性能可靠達到雙向密封零泄漏。
5、密封材料耐老化、耐弱腐蝕,使用壽命長等特點。
法蘭式襯膠蝶閥設計標準:
設計與制造:GB12238
結構長度:GB12221(13系列)
法蘭連接尺寸:GB4216
法蘭式襯膠蝶閥密封選型:
法蘭式襯膠蝶閥零件材料:
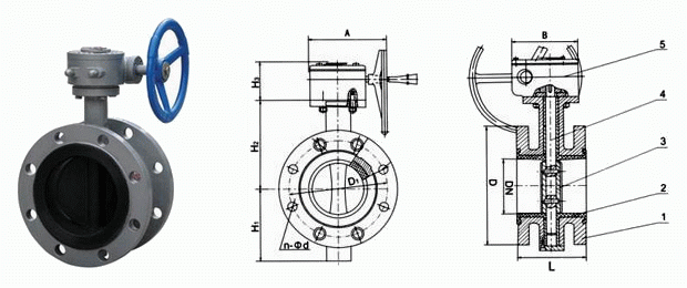
法蘭式襯膠蝶閥外形結構圖:

密封圈材料代號 |
適用溫度 |
適用介質 |
NR |
≤85℃ |
水、空氣、酸堿類 |
CR |
≤85℃ |
水、煤氣、酸堿類 |
NBR |
≤100℃ |
水、油品 |
CPDM |
≤120℃ |
水、蒸汽、一般酸堿類 |
FKM |
≤150℃ |
水、蒸汽、強酸堿類 |
法蘭式襯膠蝶閥零件材料:
閥體 |
鑄鐵、球墨鑄鐵、碳鋼、不銹鋼 |
蝶板 |
鑄鐵、球墨鑄鐵、碳鋼、不銹鋼、碳鋼完全包覆橡膠或氟塑料 |
閥桿 |
碳鋼鍍鎳磷、不銹鋼 |
閥座密封圈 |
天然膠NR、氯丁膠CR、丁腈膠NBR、三元乙丙膠EPDM、氟橡膠FKM |
氣動裝置 |
組合件 |
法蘭式襯膠蝶閥外形結構圖:

法蘭式襯膠蝶閥連接尺寸:
公稱通徑DN |
L |
D |
D1 |
n-d(mm) |
H1 |
H2 |
質量 |
|
PN1.6 |
PN1.6 |
|||||||
50 |
108 |
165 |
125 |
4-18 |
4-18 |
91 |
120 |
8 |
65 |
112 |
185 |
145 |
4-18 |
4-18 |
104 |
140 |
11.5 |
80 |
114 |
200 |
160 |
8-18 |
8-18 |
107 |
150 |
12.5 |
100 |
127 |
220 |
180 |
8-18 |
8-18 |
135 |
165 |
23 |
125 |
140 |
250 |
210 |
8-18 |
8-18 |
129 |
190 |
40.5 |
150 |
140 |
285 |
240 |
8-22 |
8-22 |
131 |
205 |
46.5 |
200 |
152 |
340 |
295 |
8-22 |
12-22 |
177 |
255 |
61 |
250 |
165 |
395 |
350 |
12-22 |
12-26 |
206 |
270 |
73.5 |
300 |
178 |
445 |
400 |
12-22 |
12-26 |
220 |
320 |
103 |
350 |
190 |
505 |
460 |
16-22 |
16-26 |
264 |
358 |
120 |
400 |
216 |
565 |
515 |
16-26 |
16-30 |
298 |
400 |
217 |
450 |
222 |
615 |
565 |
16-26 |
|
327 |
420 |
242 |
500 |
229 |
671 |
620 |
20-26 |
|
352 |
480 |
279 |
600 |
267 |
780 |
725 |
20-30 |
|
446 |
560 |
396 |
700 |
292 |
895 |
840 |
24-30 |
|
486 |
610 |
596 |
提示:本文中所有文字、數據、圖片均只適用于參考,需要了解更詳細的【法蘭式襯膠蝶閥】參數、選型、價格等請聯系我們,我們將竭誠為您服務!



















