- 上海良大閥門有限公司
- 電話:021-51875578
- 傳真:021-57443237
- 手機:13916747333
- 郵箱:a15566@126.com
- 地址:奉賢區工業綜合開發區942號
當前位置:首頁 >> 塑料閥門
>> 電動塑料閥門 >> 電動塑料蝶閥 更新時間 2025-5-10 0:30:49
電動塑料閥門
| 電動塑料蝶閥 |
![]() |
產品名稱: | 電動塑料蝶閥 | |||||
| 型號: | D971X-10S | ||||||
| 口徑: | DN50-600 | ||||||
| 壓力: | 1.0-2.5MPa | ||||||
| 材質: | RPP/PPH/UPVC/CPVC/PVDF | ||||||
|
|||||||
| 您正在瀏覽:【電動塑料蝶閥】 | |||||||
電動塑料蝶閥詳細介紹
D971X-10S電動塑料蝶閥概述:
電動塑料蝶閥閥體結構為中線式。D971X-10S電動塑料蝶閥(亦稱PVC電動蝶閥)采用一體式電動執行器和塑料蝶閥組成。輸入220V電源即可直接進行開關量調節,亦可內置伺服模塊,輸入控制信號(4~20mADC或1~5VDC)及單相電源即可控制運轉。電動塑料蝶閥(PVC電動蝶閥)被應用于多個領域,如一般純水和生飲水的管路系統、排水和污水管路系統、鹽水和海水管路系統、酸堿和化學溶液系統等多個行業,品質得到廣大用戶的認可。閥桿與蝶板融為一體,蝶板旋轉90°,即可實現閥門的啟閉過程。連接方式為對夾式。適用介質:水、空氣、油類、腐蝕性化學液體,塑料蝶閥分類:手柄式塑料蝶閥,蝸輪式塑料蝶閥,氣動塑料蝶閥,電動塑料蝶閥等。D971X-10S電動塑料蝶閥性能特點:
1、電動塑料蝶閥的閥體只需最小的安裝空間,工作原理簡單可靠;
2、近似等百分比的流量特性,可用于調節或開關式控制;
3、電動塑料蝶閥的閥體配合標準的凸面管道法蘭;
4、優越的經濟性能使得蝶閥的應用行業最為廣泛;
5、電動塑料蝶閥具有很大的流通能力,經過閥門的壓力損失極?。?/span>
6、蝶閥閥體具有非常顯著的經濟性,尤其是較大口徑的蝶閥;
7、電動塑料蝶閥特別適合于介質較潔凈的液體和氣體。
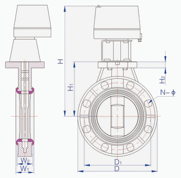
D971X-10S電動塑料蝶閥外形結構圖:

D971X-10S電動塑料蝶閥連接尺寸:
公稱通徑 |
D1 |
N-Φ |
D |
H1 |
H2 |
W1 |
W2 |
50 |
125 |
4-18 |
165 |
103 |
13 |
42.5 |
34.6 |
65 |
145 |
4-18 |
185 |
113 |
13 |
46 |
37 |
80 |
160 |
8-18 |
200 |
115 |
13 |
46 |
37 |
100 |
180 |
8-18 |
229 |
135.5 |
13 |
56 |
47 |
125 |
210 |
8-18 |
257 |
165 |
15 |
69 |
57 |
150 |
240 |
8-22 |
285 |
177 |
19 |
72 |
62 |
200 |
295 |
8-22 |
343 |
210 |
21 |
85 |
69 |
250 |
350 |
12-22 |
411 |
242 |
22 |
109 |
95.5 |
300 |
400 |
12-22 |
490 |
302 |
26 |
133 |
116.5 |
350 |
460 |
16-22 |
530 |
300 |
25.5 |
127 |
113 |
400 |
515 |
16-27 |
600 |
318 |
32 |
166.4 |
160 |
450 |
565 |
20-27 |
630 |
370 |
35 |
179 |
171 |
500 |
620 |
20-27 |
696 |
410 |
34 |
189.5 |
180 |
600 |
725 |
20-30 |
813 |
480 |
43 |
210 |
201 |
單位為毫米(mm) |
|||||||
D971X-10S電動塑料蝶閥安裝維護說明:
電動塑料蝶閥具有內伺服操作和開度信號位置反饋、位置指示、手動操作等功能,功能強、性能可靠、連線簡單(電源電壓:220V/50Hz、380V/50Hz、輸入信號:4-20mA或1-5V·DC、輸出信號:4-20mA·DC,防護等級:相當IP67、隔爆標志:ExdⅡBT4)。安裝前應完成以下工作:
1、仔細核對電動塑料蝶閥使用情況是否與其性能規范相符;(溫度、壓力、介質)
2、開箱后閥門要及時安裝,請勿隨意松動閥門上的任何緊固螺釘或螺母;
3、閥在安裝之前,最好處于關閉狀態為宜,焊接時應將閥門通道用蓋板擋??;防止顆粒、雜物搓傷密封面;
4、DN200口徑以上中線對夾式電動蝶閥必須配專用法蘭;
5、安裝、調試人員要仔細閱讀使用說明書和氣動、電動執行器等說明書,嚴格按說明書、接線圖進行安裝、操作、調試及接線;
6、用戶要求試壓時,務必用兩端法蘭對夾裝好或在閥門試壓臺試壓;
7、應存放在干燥通風的室內,檢查通道及密封面是否有雜物,并及時清除,兩端通道必須封口,嚴禁堆放。
提示:本文中所有文字、數據、圖片均只適用于參考,需要了解更詳細的【電動塑料蝶閥】參數、選型、價格等請聯系我們,我們將竭誠為您服務!



















