- 上海良大閥門有限公司
- 電話:021-51875578
- 傳真:021-57443237
- 手機:13916747333
- 郵箱:a15566@126.com
- 地址:奉賢區工業綜合開發區942號
當前位置:首頁 >> 疏水閥
>> 疏水調節閥 >> 浮球式蒸汽疏水調節閥 更新時間 2025-5-10 0:50:20
疏水調節閥
| 浮球式蒸汽疏水調節閥 |
![]() |
產品名稱: | 浮球式蒸汽疏水調節閥 | |||||
| 型號: | T47H | ||||||
| 口徑: | DN40-200 | ||||||
| 壓力: | PN1.0-6.4MPa | ||||||
| 材質: | 碳鋼、不銹鋼、雙相鋼等 | ||||||
|
|||||||
| 您正在瀏覽:【浮球式蒸汽疏水調節閥】 | |||||||
浮球式蒸汽疏水調節閥詳細介紹
浮球式蒸汽疏水調節閥產品概述:
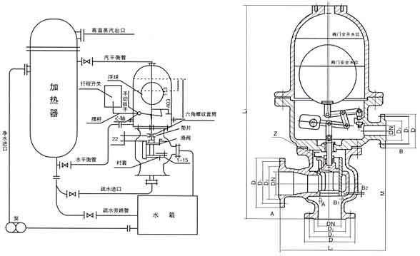
浮球式蒸汽疏水調節閥適用于電站、化工、造紙等行業具有加熱器的工業部門,用于除氧汽水箱水位的調節。浮球式蒸汽疏水調節閥控制加熱器中的水量多少的設備。
浮球式蒸汽疏水調節閥產品優點:
浮球式蒸汽疏水調節閥產品優點:
1、浮球式蒸汽疏水調節閥外形尺寸較大。適用于較大背壓力且不會泄漏蒸汽,排出的凝結水是接近蒸汽壓力的飽和水,故可以增加本閥門的設備熱效率和二次蒸汽利用的節能特點。
2、浮球式蒸汽疏水調節閥隨著凝結水液面上升,當浮球升到距罩蓋底平面403mm時,閥門全開使冷凝結水大量排入水箱。當浮球下降113毫米后。閥門全關。冷凝水不能流出,使浮球穩定的限制在113-403毫米的空間范圍內變化。從而使閥門達到只能排放空氣和水殛高溫冷凝水,而阻止蒸汽泄漏。
3、浮球式蒸汽疏水調節閥是利用凝結水液位的變化而使浮球上升和下降,也可以手柄操作。從而驅動下部的啟閉裝置。開啟和關閉。實現排水阻氣的功能。
浮球式蒸汽疏水調節閥外形結構圖:

浮球式蒸汽疏水調節閥外形尺寸表:

浮球式蒸汽疏水調節閥訂貨參數:
尊敬的客戶!如果您需要訂購我公司浮球式蒸汽疏水調節閥產品,有技術要求,須在訂貨合同中注明,安裝使用前必須用氣體吹掃管線,清除污垢、灰塵、雜物等。
提示:本文中所有文字、數據、圖片均只適用于參考,需要了解更詳細的【浮球式蒸汽疏水調節閥】參數、選型、價格等請聯系我們,我們將竭誠為您服務!



















