- 上海良大閥門有限公司
- 電話:021-51875578
- 傳真:021-57443237
- 手機:13916747333
- 郵箱:a15566@126.com
- 地址:奉賢區工業綜合開發區942號
當前位置:首頁 >> 柱塞閥
>> 角式柱塞閥 >> 角式柱塞閥 | 角式柱塞閥 |
![]() |
產品名稱: | 角式柱塞閥 | |||||
| 型號: | U44SM、UJ44H | ||||||
| 口徑: | DN15-400 | ||||||
| 壓力: | 1.6-4.0MPa | ||||||
| 材質: | 鑄鐵、鑄鋼、不銹鋼等 | ||||||
|
|||||||
| 您正在瀏覽:【角式柱塞閥】 | |||||||
角式柱塞閥詳細介紹
角式柱塞閥產品描述:
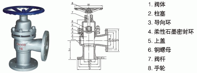
角式柱塞閥與直通式柱塞閥的工作原理完全相同,只不過是安裝在管線中的位置不同,因而石油、化工、化肥、制藥等長輸管線中有不少的拐角轉彎處,而角式柱塞閥正好裝在這個部位,這樣不但減少了接管彎頭,安裝方便,省工、省料等特點。柱塞閥的關閉由一個不銹鋼柱塞、上下兩只富彈性密封圈及一個金屬隔框組成,密封效果由柱塞與密封圈緊密配合來達到,柱塞插在兩只密封圈中,密封面積遠大于普通截止閥;開關柱塞閥時,柱塞在密封圈中緩慢移動,接觸面幾乎不磨損,關閉時,柱塞插入下密封圈,截斷流道;開啟時,柱塞雖然脫離下密封圈,但仍藏在上密封圈內,保持與外界隔離,不致發生泄漏。
角式柱塞閥外形結構圖:

角式柱塞閥連接尺寸:
|
DN(mm)/
尺寸 (mm)
|
U44SM-16C(P) UJ44H-16C.P.R |
|||||||||||||||
15 |
20 |
25 |
32 |
40 |
50 |
65 |
80 |
100 |
125 |
150 |
200 |
250 |
300 |
350 |
400 |
|
L |
90 |
95 |
100 |
105 |
115 |
125 |
145 |
155 |
175 |
200 |
225 |
275 |
325 |
375 |
425 |
475 |
H |
190 |
210 |
220 |
250 |
280 |
300 |
320 |
370 |
420 |
440 |
530 |
610 |
730 |
850 |
970 |
1100 |
W |
100 |
100 |
120 |
140 |
160 |
180 |
200 |
240 |
280 |
320 |
350 |
400 |
520 |
640 |
760 |
900 |
D |
95 |
105 |
115 |
135 |
145 |
160 |
180 |
195 |
215 |
245 |
280 |
335 |
405 |
460 |
520 |
580 |
D1 |
65 |
75 |
85 |
100 |
110 |
125 |
145 |
160 |
180 |
210 |
240 |
295 |
355 |
410 |
470 |
525 |
D2 |
45 |
55 |
65 |
78 |
85 |
100 |
120 |
135 |
155 |
188 |
210 |
265 |
295 |
375 |
435 |
485 |
b |
12 |
12 |
12 |
13 |
13 |
13 |
15 |
17 |
17 |
19 |
21 |
23 |
27 |
28 |
30 |
32 |
Z-φd |
4-14 |
4-14 |
4-14 |
4-18 |
4-18 |
4-18 |
4-18 |
8-18 |
8-18 |
8-18 |
8-23 |
12-23 |
12-25 |
12-25 |
16-25 |
16-30 |
|
DN(mm)/
尺寸 (mm)
|
U44SM-25(P) UJ44H-25C.P.R |
|||||||||||||||
15 |
20 |
25 |
32 |
40 |
50 |
65 |
80 |
100 |
125 |
150 |
200 |
250 |
300 |
350 |
400 |
|
L |
90 |
95 |
100 |
105 |
115 |
125 |
145 |
155 |
175 |
200 |
225 |
275 |
325 |
375 |
425 |
475 |
H |
190 |
210 |
230 |
260 |
260 |
290 |
320 |
370 |
420 |
460 |
530 |
610 |
730 |
850 |
970 |
1100 |
W |
100 |
100 |
110 |
140 |
160 |
180 |
200 |
240 |
280 |
320 |
350 |
400 |
520 |
640 |
760 |
900 |
D |
95 |
105 |
115 |
135 |
145 |
160 |
180 |
195 |
230 |
270 |
300 |
360 |
425 |
485 |
550 |
610 |
D1 |
65 |
75 |
85 |
100 |
110 |
125 |
145 |
160 |
190 |
220 |
250 |
310 |
370 |
430 |
490 |
550 |
D2 |
45 |
55 |
65 |
78 |
85 |
100 |
120 |
135 |
160 |
188 |
218 |
282 |
345 |
408 |
465 |
535 |
b |
14 |
14 |
14 |
15 |
15 |
170 |
19 |
19 |
21 |
25 |
27 |
31 |
33 |
36 |
40 |
44 |
Z-φd |
4-14 |
4-14 |
4-14 |
4-18 |
4-18 |
4-18 |
8-18 |
8-18 |
8-23 |
8-25 |
8-25 |
12-25 |
12-30 |
16-30 |
16-34 |
16-34 |
角式柱塞閥產品實物圖:




















