- 上海良大閥門有限公司
- 電話:021-51875578
- 傳真:021-57443237
- 手機:13916747333
- 郵箱:a15566@126.com
- 地址:奉賢區工業綜合開發區942號
當前位置:首頁 >> 放料閥
>> 氣動放料閥 >> 襯氟氣動放料閥 更新時間 2025-5-10 0:45:04
氣動放料閥
| 襯氟氣動放料閥 |
![]() |
產品名稱: | 襯氟氣動放料閥 | |||||
| 型號: | FL641F46、FL645F46 | ||||||
| 口徑: | DN25-200 | ||||||
| 壓力: | 1.0-2.5MPa | ||||||
| 材質: | 碳鋼、不銹鋼等 | ||||||
|
|||||||
| 您正在瀏覽:【襯氟氣動放料閥】 | |||||||
襯氟氣動放料閥詳細介紹
襯氟氣動放料閥產品概述:
襯氟氣動放料閥是在金屬閥門與流體接觸的各個部位(包括閥體內腔、閥瓣和閥桿光桿部分等)均包襯了一層氟塑料,使其與腐蝕性介質隔斷開來,從而讓它既有鋼制放料閥的機械強度,又有氟塑料的耐腐性。該閥襯里層由于分子結構中引入具有負電性的氟原子,因而有很高的化學穩定性和耐高低溫性能,除了熔融堿金屬、ClF?及元素氟外,它能抵抗無論何種濃度的酸、堿、鹽、氧化劑和其它強腐蝕性介質的腐蝕,而且它可以產生彈性變形,因此有助于密封,泄漏等級可以做到IV級。
襯氟氣動放料閥產品優點:
襯氟氣動放料閥有手動、氣動、氣動帶手動、電動等傳動方式,端部采用法蘭連接,適用于無硬質固體顆粒的酸、堿、鹽等腐蝕性的物料儲槽、反應釜、儲罐和其他容器之放料及取樣。
襯氟氣動放料閥產品優點:
襯氟氣動放料閥有手動、氣動、氣動帶手動、電動等傳動方式,端部采用法蘭連接,適用于無硬質固體顆粒的酸、堿、鹽等腐蝕性的物料儲槽、反應釜、儲罐和其他容器之放料及取樣。

襯氟氣動放料閥零件材料:

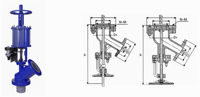
襯氟氣動放料閥外形結構圖:

襯氟氣動放料閥外形尺寸表:

提示:本文中所有文字、數據、圖片均只適用于參考,需要了解更詳細的【襯氟氣動放料閥】參數、選型、價格等請聯系我們,我們將竭誠為您服務!



















