- 上海良大閥門有限公司
- 電話:021-51875578
- 傳真:021-57443237
- 手機:13916747333
- 郵箱:a15566@126.com
- 地址:奉賢區工業綜合開發區942號
當前位置:首頁 >> 陶瓷閥門
>> 陶瓷刀閘閥 >> 電液動陶瓷刀閘閥 | 電液動陶瓷刀閘閥 |
![]() |
產品名稱: | 電液動陶瓷刀閘閥 | |||||
| 型號: | PZ273TC | ||||||
| 口徑: | DN50-600 | ||||||
| 壓力: | 1.0-6.4MPa | ||||||
| 材質: | 鑄鋼、不銹鋼 | ||||||
|
|||||||
| 您正在瀏覽:【電液動陶瓷刀閘閥】 | |||||||
電液動陶瓷刀閘閥詳細介紹
電液動陶瓷刀閘閥產品概述:
電液動陶瓷刀閘閥產品優點:
1、電液動陶瓷刀閘閥料口全流通無阻擋物,耐磨性能強,密封性能好,啟動負荷小卡灰及結灰現象少。
2、采用高檔曾韌結構陶瓷密封,機械強度高耐磨性能好使用壽命長,結構緊湊可任意角度安裝。
電液動陶瓷刀閘閥應用規范:
設計與制造 |
GB/T 8691 |
|
連接端尺寸 |
結構長度 |
GB/T 15188.2 |
法蘭尺寸 |
GB/T9113.1 |
|
檢驗與試驗 |
GB/T 8691 |
|
材料 |
碳鋼 |
GB/T 12229 |
不銹鋼 |
GB/T 12230 |
|
標志 |
GB/T 12220 |
|
供貨 |
GB/T 12252 |
|
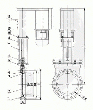
電液動陶瓷刀閘閥零件材料:
序號 |
名稱 |
材料 |
序號 |
名稱 |
材料 |
1 |
閥座 |
結構陶瓷 |
7 |
連接架 |
WCB |
2 |
閥體 |
WCB |
8 |
支架 |
WCB |
3 |
閥板 |
不銹鋼+結構陶瓷 |
9 |
螺母 |
25# |
4 |
填料 |
柔性石墨 |
10 |
連接盤 |
WCB |
5 |
填料壓蓋 |
WCB |
11 |
電液動裝置 |
成品件 |
6 |
鎖軸 |
2Cr13 |
12 |
|
|
電液動陶瓷刀閘閥外形結構圖:

電液動陶瓷刀閘閥連接尺寸:
DN |
PN(Mpa) |
L |
D |
D1 |
D2 |
H |
N-M |
b |
50 |
1.0 |
43 |
165 |
125 |
100 |
680 |
4-M16 |
12 |
65 |
46 |
185 |
145 |
120 |
710 |
4-M16 |
12 |
|
80 |
46 |
200 |
160 |
135 |
750 |
8-M16 |
12 |
|
100 |
52 |
220 |
180 |
155 |
755 |
8-M16 |
12 |
|
125 |
56 |
250 |
210 |
185 |
790 |
8-M16 |
12 |
|
150 |
56 |
285 |
240 |
210 |
865 |
8-M20 |
14 |
|
200 |
60 |
340 |
295 |
265 |
940 |
12-M20 |
14 |
|
250 |
68 |
405 |
355 |
320 |
1030 |
12-M24 |
16 |
|
300 |
78 |
460 |
410 |
375 |
1180 |
12-M24 |
16 |
|
350 |
90 |
520 |
470 |
435 |
1285 |
16-M24 |
16 |
|
400 |
90 |
580 |
525 |
485 |
1390 |
16-M27 |
18 |
|
450 |
90 |
640 |
585 |
545 |
1450 |
20-M27 |
18 |
|
500 |
114 |
715 |
650 |
608 |
1520 |
20-M30 |
18 |
|
600 |
154 |
840 |
770 |
718 |
1590 |
20-M33 |
20 |



















