- 上海良大閥門有限公司
- 電話:021-51875578
- 傳真:021-57443237
- 手機:13916747333
- 郵箱:a15566@126.com
- 地址:奉賢區工業綜合開發區942號
當前位置:首頁 >> 陶瓷閥門
>> 陶瓷閘板閥 >> 氣動陶瓷雙閘板閥 更新時間 2025-5-10 0:35:21
陶瓷閘板閥
| 氣動陶瓷雙閘板閥 |
![]() |
產品名稱: | 氣動陶瓷雙閘板閥 | |||||
| 型號: | Z644TC | ||||||
| 口徑: | DN50-300 | ||||||
| 壓力: | 1.0-6.4MPa | ||||||
| 材質: | 鑄鋼、不銹鋼 | ||||||
|
|||||||
| 您正在瀏覽:【氣動陶瓷雙閘板閥】 | |||||||
氣動陶瓷雙閘板閥詳細介紹
氣動陶瓷雙閘板閥產品概述:
氣動陶瓷雙閘板閘閥又稱陶瓷平行雙閘板閘閥或陶瓷干灰閥,其啟閉件(陶瓷閘板)由閥桿帶動作升降運動,陶瓷雙閘板閥由氣缸或手輪驅動,閥桿帶動閥板上下移動實現閥門的啟閉,閥門啟閉過程中依靠雙閘板之間內置彈簧的預緊力使陶瓷閘板和陶瓷閥座達到可靠的密封比壓從而實現密封。在開啟排卸物料時,會產生渦流,形成的物料渦流會自行清掃閥門內腔,從而有效避免閥門內部積料,卡堵等情況的發生。
氣動陶瓷雙閘板閥應用規范:
設計與制造 |
GB/T 12224 |
|
連接端尺寸 |
結構長度 |
廠商標準 |
法蘭尺寸 |
JB/T 79.1 |
|
檢驗與試驗 |
GB/T 9092 |
|
材料 |
碳鋼 |
GB/T 12229 |
不銹鋼 |
GB/T 12230 |
|
標志 |
GB/T 12220 |
|
供貨 |
GB/T 12252 |
|
耐磨陶瓷雙閘板閥零件材料:
序號 |
名稱 |
材料 |
序號 |
名稱 |
材料 |
1 |
閥體 |
WCB |
6 |
中閥體 |
WCB |
2 |
閥座 |
結構陶瓷 |
7 |
填料 |
柔性石墨 |
3 |
閥板 |
WCB+結構陶瓷 |
8 |
填料壓蓋 |
WCB |
4 |
閥板座 |
WCB |
9 |
支柱 |
25# |
5 |
螺母 |
25# |
10 |
氣動裝置 |
成品件 |
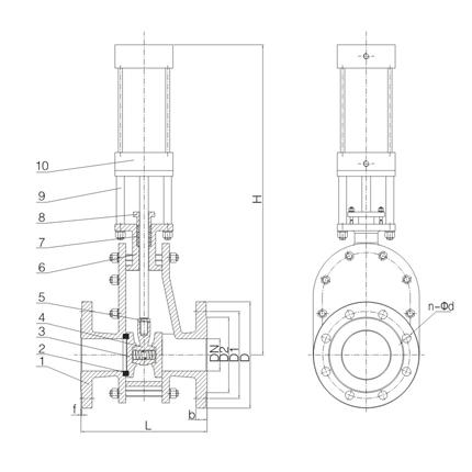
氣動陶瓷雙閘板閥外形結構圖:

氣動陶瓷雙閘板閥連接尺寸:
DN |
PN(Mpa) |
L |
D |
D1 |
C |
H |
n-d |
50 |
1.0 |
215 |
160 |
125 |
16 |
510 |
4-Φ18 |
65 |
220 |
180 |
145 |
18 |
580 |
4-Φ18 |
|
80 |
260 |
195 |
160 |
20 |
610 |
8-Φ18 |
|
100 |
260 |
215 |
180 |
20 |
670 |
8-Φ18 |
|
125 |
310 |
245 |
210 |
22 |
780 |
8-Φ18 |
|
150 |
310 |
280 |
240 |
24 |
850 |
8-Φ23 |
|
175 |
310 |
310 |
270 |
26 |
950 |
8-Φ23 |
|
200 |
310 |
335 |
295 |
26 |
1050 |
8-Φ23 |
|
250 |
450 |
405 |
350 |
30 |
1190 |
12-Φ25 |
|
300 |
480 |
460 |
400 |
30 |
1350 |
12-Φ25 |
提示:本文中所有文字、數據、圖片均只適用于參考,需要了解更詳細的【氣動陶瓷雙閘板閥】參數、選型、價格等請聯系我們,我們將竭誠為您服務!



















