- 上海良大閥門有限公司
- 電話:021-51875578
- 傳真:021-57443237
- 手機:13916747333
- 郵箱:a15566@126.com
- 地址:奉賢區工業綜合開發區942號
當前位置:首頁 >> 真空閥門
>> 電磁真空充氣閥 >> DDC-JQ-B電磁真空帶充氣閥 更新時間 2025-5-10 0:34:11
電磁真空充氣閥
| DDC-JQ-B電磁真空帶充氣閥 |
![]() |
產品名稱: | DDC-JQ-B電磁真空帶充氣閥 | |||||
| 型號: | DDC-JQ-B | ||||||
| 口徑: | DN16-100 | ||||||
| 壓力: | 0.6×106 ~1.3×10-4 | ||||||
| 材質: | 304、316、316L不銹鋼 | ||||||
|
|||||||
| 您正在瀏覽:【DDC-JQ-B電磁真空帶充氣閥】 | |||||||
DDC-JQ-B電磁真空帶充氣閥詳細介紹
DDC-JQ-B電磁真空帶充氣閥產品概述:
DDC-JQ-B型系列電磁真空帶充氣閥是安裝在機械式真空泵上的專用閥門。閥門與泵接在同一電源上,泵的開啟與停止直接控制了閥的開啟與關閉。當泵停止工作或電源中斷時,閥能自動將真空系統封閉,并將閥的充氣孔打開,大氣快速充入到泵腔,從而避免泵油逆流污染真空系統。適用的工作介質為空氣及非腐蝕性氣體。
DDC-JQ-B電磁真空帶充氣閥技術性能:

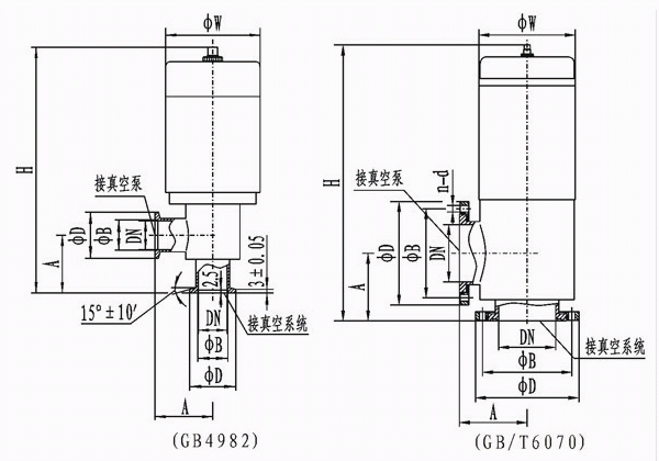
DDC-JQ-B電磁真空帶充氣閥連接尺寸:
提示:本文中所有文字、數據、圖片均只適用于參考,需要了解更詳細的【DDC-JQ-B電磁真空帶充氣閥】參數、選型、價格等請聯系我們,我們將竭誠為您服務!



















