- 上海良大閥門有限公司
- 電話:021-51875578
- 傳真:021-57443237
- 手機:13916747333
- 郵箱:a15566@126.com
- 地址:奉賢區工業綜合開發區942號
當前位置:首頁 >> 角座閥
>> 焊接角座閥 >> 全不銹鋼焊接式氣動角座閥 更新時間 2025-5-10 0:27:17
焊接角座閥
| 全不銹鋼焊接式氣動角座閥 |
![]() |
產品名稱: | 全不銹鋼焊接式氣動角座閥 | |||||
| 型號: | JZ661F/W | ||||||
| 口徑: | DN15-100 | ||||||
| 壓力: | 1.6-4.0MPa | ||||||
| 材質: | 304、316不銹鋼 | ||||||
|
|||||||
| 您正在瀏覽:【全不銹鋼焊接式氣動角座閥】 | |||||||
全不銹鋼焊接式氣動角座閥詳細介紹
全不銹鋼焊接式氣動角座閥主要技術參數:
閥體材質:304、316、316L閥芯材質:304、316、316L
閥座材質:PTFE、F46
公稱通徑:DN15-DN80
適用溫度:F46:-30℃~220℃ 執行器必須不銹鋼
環境溫度:-30℃~80℃
公稱壓力:1.6Mpa
連接方式:焊接式
設計標準:GB、ANSI、DIN、ISO
控制方式:單作用:氣開式、氣關式,雙作用
氣缸材質:聚酰胺PA、不銹鋼
可選附件:電磁閥、限位開關、電氣定位器
全不銹鋼焊接式氣動角座閥外形結構圖:

全不銹鋼焊接式氣動角座閥連接尺寸:
口徑 |
英寸 |
內徑 |
Kv值 |
最大壓差 |
氣源壓力 |
氣缸缸徑 |
流向 |
|
DN10 |
3/8’ |
10 |
3.7 |
0-16bar |
4-7bar |
50 |
蒸汽、氣體 閥座上流向 |
|
DN15 |
1/2’ |
15 |
4.2 |
50 |
||||
DN20 |
3/4’ |
20 |
8.0 |
50 |
||||
DN25 |
1’ |
25 |
19.0 |
63 |
||||
DN32 |
1-1/4’ |
32 |
27.5 |
63 |
||||
DN40 |
1-1/2’ |
40 |
42.0 |
63 |
液體、氣體 防水錘 閥座下流向 |
|||
DN50 |
2’ |
50 |
55.0 |
80 |
||||
DN65 |
2-1/2’ |
65 |
90 |
100 |
||||
DN80 |
3 |
80 |
100 |
|||||
DN100 |
4 |
100 |
125 |
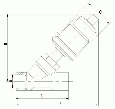
全不銹鋼焊接式氣動角座閥外形結構圖:

全不銹鋼焊接式氣動角座閥連接尺寸:
口徑 |
英寸 |
焊接氣動角座閥 |
||||
B |
L |
L1 |
L2 |
H |
||
DN15 |
1/2’ |
15 |
155 |
100 |
62 |
120 |
DN20 |
3/4’ |
20 |
160 |
120 |
62 |
130 |
DN25 |
1’ |
25 |
185 |
140 |
76 |
160 |
DN32 |
1-1/4’ |
35 |
215 |
155 |
76 |
195 |
DN40 |
1-1/2’ |
38 |
225 |
170 |
76 |
245 |
DN50 |
2’ |
48 |
290 |
190 |
96 |
295 |
DN65 |
2-1/2 |
68 |
350 |
220 |
114 |
325 |
DN80 |
3 |
80 |
380 |
250 |
114 |
360 |
提示:本文中所有文字、數據、圖片均只適用于參考,需要了解更詳細的【全不銹鋼焊接式氣動角座閥】參數、選型、價格等請聯系我們,我們將竭誠為您服務!



















