- 上海良大閥門有限公司
- 電話:021-51875578
- 傳真:021-57443237
- 手機:13916747333
- 郵箱:a15566@126.com
- 地址:奉賢區工業綜合開發區942號
當前位置:首頁 >> 電動閥門
>> 電動調節閥 >> 比例積分電動二通調節閥 更新時間 2025-5-10 0:31:03
電動調節閥
| 比例積分電動二通調節閥 |
![]() |
產品名稱: | 比例積分電動二通調節閥 | |||||
| 型號: | VB3200 | ||||||
| 口徑: | DN25-65 | ||||||
| 壓力: | 1.0-2.5MPa | ||||||
| 材質: | 鑄鐵,黃銅,不銹鋼 | ||||||
|
|||||||
| 您正在瀏覽:【比例積分電動二通調節閥】 | |||||||
比例積分電動二通調節閥詳細介紹
比例積分電動二通調節閥概述:
比例積分電動二通調節閥系列配以VA-7150或VA-3000電子驅動器控制裝置后,能調節冷,熱水的流量,廣泛用于中央空調、采暖、水處理等系統的流體控制。比例積分電動二通調節閥產品功能:
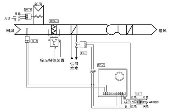
1、本系統適用于空調系統的新風機組冬/夏季溫度控制。
2、由溫度傳感器TE-1,比例積分溫度控制器TC-1和電動兩通調節閥TV-1組成送風溫度控制系統,安裝在送風管道的TE-1把檢測到的溫度信號傳送至TC-1,由TC-1將TE-1的檢測值與設定值不斷比較,同時不斷地輸出信號,控制TV。
3、TV-1的開度連續可調,最終使TE-1測量的環境溫度保持在設定溫度范圍內。
4、當盤管后的溫度低于某限值時,低溫保護開關TS-1切斷送電機的電源,從而使 新風風閥關閉,防止盤管內的水結冰,漲裂盤管。

1、執行器選用鑄鋁支架及塑料外殼,體積小、重量輕。
2、選用永磁同步電機,并帶有磁滯離合機構,具有可靠的自我保護功能。
3、適合多種控制信號:增量(浮點)、電壓(0~10V)、電流(4~20mA)。
4、具有0~10V或4~20mA反饋信號(選配)。
5、傳動齒輪采用金屬齒輪,大大提高了驅動器的使用壽命。
6、功耗低、輸出力大、噪音小。
7、閥體有鑄銅、鑄鐵、鑄鋼、不銹鋼多種材質可供選擇,以適合不同工作介質及溫度的要求。
8、閥體有螺紋連接和法蘭連接兩種,安裝方便,其構造符合IEC國際標準。
9、閥體結構形式有兩通閥(單座)、兩通平衡閥(平衡式)、三通合流和三通分流閥。
比例積分電動二通調節閥連接尺寸:

比例積分電動二通調節閥安裝示意圖:

比例積分電動二通調節閥控制接線圖:

提示:本文中所有文字、數據、圖片均只適用于參考,需要了解更詳細的【比例積分電動二通調節閥】參數、選型、價格等請聯系我們,我們將竭誠為您服務!



















