- 上海良大閥門有限公司
- 電話:021-51875578
- 傳真:021-57443237
- 手機:13916747333
- 郵箱:a15566@126.com
- 地址:奉賢區工業綜合開發區942號
當前位置:首頁 >> 過濾器
>> 焊接過濾器 >> 承插焊Y型過濾器 更新時間 2025-5-10 0:40:32
焊接過濾器
| 承插焊Y型過濾器 |
![]() |
產品名稱: | 承插焊Y型過濾器 | |||||
| 型號: | SRY-I、II、III | ||||||
| 口徑: | DN15-400 | ||||||
| 壓力: | 1.6-6.4MPa | ||||||
| 材質: | 鑄鋼、不銹鋼等 | ||||||
|
|||||||
| 您正在瀏覽:【承插焊Y型過濾器】 | |||||||
承插焊Y型過濾器詳細介紹
承插焊Y型過濾器產品概述:
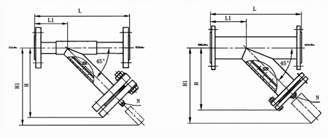
承插焊Y型過濾器主要由主管、斜管、法蘭和法蘭蓋、緊固件及過濾網、排污絲堵等零部件組成,其制造要求、試驗方法及檢驗規則等都是按《管道用三通過濾器》GB/T 14382-2008標準執行,該Y型過濾器是用無縫鋼管由主管和斜管按45度角通過焊接工藝焊制而成的,它通過對焊、承插焊、螺紋、法蘭等方式與管道連接,斜管內置有相應過濾面積和過濾精度的過濾網,本過濾器過濾網一般采用不銹鋼濾筒和絲網雙層結構,以30目/英寸作為標準網,可攔截≥614μm粒徑的固體顆粒,也可根據客戶工況要求定做過濾網。
承插焊Y型過濾器主要由主管、斜管、法蘭和法蘭蓋、緊固件及過濾網、排污絲堵等零部件組成,其制造要求、試驗方法及檢驗規則等都是按《管道用三通過濾器》GB/T 14382-2008標準執行,該Y型過濾器是用無縫鋼管由主管和斜管按45度角通過焊接工藝焊制而成的,它通過對焊、承插焊、螺紋、法蘭等方式與管道連接,斜管內置有相應過濾面積和過濾精度的過濾網,本過濾器過濾網一般采用不銹鋼濾筒和絲網雙層結構,以30目/英寸作為標準網,可攔截≥614μm粒徑的固體顆粒,也可根據客戶工況要求定做過濾網。
承插焊Y型過濾器產品用途:
承插焊Y型過濾器是我廠按《SH/T 3411-1999石油化工泵用過濾器選用、檢驗與驗收》標準設計制造,是過濾石油化工生產過程中液體或氣體所含的固體顆粒,從而保證泵正常運行,保護設備所必備的過濾設備。本產品一般安裝在石油化工、煤化工企業新建、改建、擴建工程中泵入口處,濾網把雜質阻截下來,保持后面介質的潔凈度,使系統安全通暢運行。
承插焊Y型過濾器性能規范表:

承插焊Y型過濾器零件材料表:

承插焊Y型過濾器外形結構圖:

承插焊Y型過濾器外形尺寸表:

提示:本文中所有文字、數據、圖片均只適用于參考,需要了解更詳細的【承插焊Y型過濾器】參數、選型、價格等請聯系我們,我們將竭誠為您服務!



















