- 上海良大閥門有限公司
- 電話:021-51875578
- 傳真:021-57443237
- 手機:13916747333
- 郵箱:a15566@126.com
- 地址:奉賢區工業綜合開發區942號
當前位置:首頁 >> 過濾器
>> 籃式過濾器 >> 保溫夾套籃式過濾器 更新時間 2025-5-10 0:41:32
籃式過濾器
| 保溫夾套籃式過濾器 |
![]() |
產品名稱: | 保溫夾套籃式過濾器 | |||||
| 型號: | BSR41H | ||||||
| 口徑: | DN15-300 | ||||||
| 壓力: | 1.0-6.4MPa | ||||||
| 材質: | 鑄鋼、不銹鋼等 | ||||||
|
|||||||
| 您正在瀏覽:【保溫夾套籃式過濾器】 | |||||||
保溫夾套籃式過濾器詳細介紹
保溫夾套籃式過濾器產品概述:
保溫夾套籃式過濾器性能優點:
保溫夾套籃式過濾器采用整體式保溫夾套設計,筒體為雙層結構,中間層可以通導熱油或蒸汽,能更均勻地保溫、保冷,以使過濾更加容易進行,其夾套層選用碳素鋼或不銹鋼管焊接,比鑄造的更加耐壓牢固,夾套、殼體外側與夾套接管焊接,具有良好的保溫保冷特性,同時又能有效降低管路中介質熱量損失,通常用于過濾常溫下會凝固的高粘度介質,如:膠水、粘膠劑、樹脂、油墨、油漆、瀝青等。
保溫夾套籃式過濾器是我廠為滿足一些流體過濾時需對其保溫才能獲得良好的輸送性能,或根據用戶工況的需要,克服介質因溫度下降易結晶、凝固,而設計制造的一款產品。其在普通籃式過濾器的基礎上焊裝保溫夾套,用于注入蒸汽或導熱油,以保持或提升流體的溫度,防止物料凝固,提高粘性液體的過濾速度,或滿足下一道工序對溫度的要求。本產品特別適合于一些低溫環境下或者粘度高的介質的過濾,被廣泛應用于石油、化工、瀝青、冶金、制藥、食品等各類系統中。
保溫夾套籃式過濾器性能優點:
保溫夾套籃式過濾器采用整體式保溫夾套設計,筒體為雙層結構,中間層可以通導熱油或蒸汽,能更均勻地保溫、保冷,以使過濾更加容易進行,其夾套層選用碳素鋼或不銹鋼管焊接,比鑄造的更加耐壓牢固,夾套、殼體外側與夾套接管焊接,具有良好的保溫保冷特性,同時又能有效降低管路中介質熱量損失,通常用于過濾常溫下會凝固的高粘度介質,如:膠水、粘膠劑、樹脂、油墨、油漆、瀝青等。
保溫夾套籃式過濾器技術規范:

保溫夾套籃式過濾器零件材料:

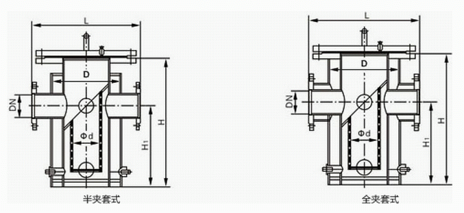
保溫夾套籃式過濾器外形結構圖:

保溫夾套籃式過濾器外形尺寸表:


保溫夾套籃式過濾器零件材料:

保溫夾套籃式過濾器外形結構圖:

保溫夾套籃式過濾器外形尺寸表:

提示:本文中所有文字、數據、圖片均只適用于參考,需要了解更詳細的【保溫夾套籃式過濾器】參數、選型、價格等請聯系我們,我們將竭誠為您服務!



















