- 上海良大閥門有限公司
- 電話:021-51875578
- 傳真:021-57443237
- 手機:13916747333
- 郵箱:a15566@126.com
- 地址:奉賢區工業綜合開發區942號
當前位置:首頁 >> 塑料閥門
>> 兩位三通閥 >> 塑料反沖洗控制閥 更新時間 2025-5-10 0:36:56
兩位三通閥
| 塑料反沖洗控制閥 |
![]() |
產品名稱: | 塑料反沖洗控制閥 | |||||
| 型號: | DLBF | ||||||
| 口徑: | DN15-100 | ||||||
| 壓力: | 0.6-1.6MPa | ||||||
| 材質: | PVC、鑄鐵 | ||||||
|
|||||||
| 您正在瀏覽:【塑料反沖洗控制閥】 | |||||||
塑料反沖洗控制閥詳細介紹
塑料反沖洗控制閥產品概述:
反沖洗控制閥為三通兩腔水力驅動隔膜式控制閥,低壓密封,流向切換平穩。可以和砂石過濾缸或疊片過濾器共同組成自動反沖洗過濾系統,也可以在供水系統中用來改變水流流向。控制閥有兩個控制腔,通過改變彈簧的裝配方向可以變形為角式流向和直通流向兩種閥可供選擇。并且獨特的形腔設計保證能通過超大流量的水流。
塑料反沖洗控制閥工作原理:
外界壓力使控制腔壓力升高,隔膜驅動的閥芯組件移向入水口閥座,使其密封嚴實,此時過濾器接口的水流過排水口閥座,進行排污。控制腔的水排出后,系統壓力和彈簧彈力使閥門恢復到過濾模式。
塑料反沖洗控制閥產品特點:
1、水力驅動隔膜式控制閥。
2、獨特塑料閥芯組件設計,密封性強,抗腐蝕性強。
3、閥門行程短,流向改變平穩順暢,避免清水污水混合。
4、閥體工程塑料材質設計,耐腐蝕、耐酸堿,使用壽命長。
5、驅動裝置可獨立拆卸,可以方便地進行在線檢查和維護。
6、采用雙腔設計,低壓驅動有效保護隔膜。
7、雙腔設計可以有角式流向和直通流向兩種選擇,方便多種方向安裝。
8、獨特形腔設計,保證大流量水流。
9、直通流向控制閥的排污口內螺紋可以加裝轉換接頭。
10、從4“轉變成3”或從3”轉變成2”滿足排污口小流量的要求。
塑料反沖洗控制閥產品實物圖:

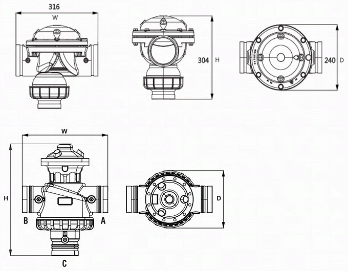
塑料反沖洗控制閥外形結構圖:

塑料反沖洗控制閥連接尺寸:

提示:本文中所有文字、數據、圖片均只適用于參考,需要了解更詳細的【塑料反沖洗控制閥】參數、選型、價格等請聯系我們,我們將竭誠為您服務!



















