快速排污閥詳細介紹
快速排污閥產品概述:
快速排污閥是由閘閥演變而來的,利用齒輪旋轉90度帶動閥桿提升實現開啟和關閉的目的。力矩小,操作簡便,易實現快速啟閉。快速排污閥不僅結構簡單、密封性好,而且體積小、重量輕、材料耗用少、安裝尺寸小,驅動力矩小。快速排污閥高壓鍋爐的定期排污,可以五個通道同時排污,也可以一個通道排污,也有自動排氣閥功能。
快速排污閥產品優點:
1、閥體與閥蓋采用夾箍式連接,結構緊湊,拆卸方便,便于安裝,支管為焊接連接。
2、采用壓力自緊式密封結構,密封圈由成型的石棉盤根制成,介質壓力越高、密封性越好。
3、介質由支管流入向下排污。
4、閥瓣為活塞式結構,并進行滲硼處理。耐腐蝕、抗沖蝕、使用壽命長。
快速排污閥性能規范:
| 型 號 |
公稱壓力 |
試驗壓力Ps(MPa) |
適用介質 |
適用介質(℃) |
| P44H-16C |
1.6 |
2.4 |
1.8 |
水、蒸汽 |
≤250 |
| P44H-16C |
|
|
|
|
|
| P44H-25C |
2.5 |
3.8 |
2.8 |
|
|
| P44H-25C |
|
|
|
|
≤425 |
| P44H-40C |
4.0 |
6.0 |
4.4 |
|
|
| P44H-40C |
|
|
|
|
≤250 |
快速排污閥零件材料:
| 零件名稱 |
閥體、閥蓋 |
閥座、閘板 |
閥 桿 |
齒輪軸 |
填 料 |
墊 片 |
扳 手 |
| P44H-16C P44H-25 P44H-40 |
鑄鋼 |
鉻不銹鋼 |
鉻不銹鋼 |
鉻不銹鋼 |
油浸石墨 石棉盤根 |
橡膠石 棉板 |
球墨鑄鐵 |
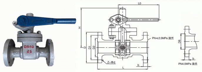
快速排污閥外形結構圖:

快速排污閥連接尺寸:
| 公稱壓力 PN(MPa) |
公稱通徑 DN(mm) |
|
重量(kg) |
| L |
D |
D1 |
D2 |
D6 |
b |
ZΦd |
H |
LO |
|
| 1.6 |
25 |
160 |
115 |
85 |
65 |
- |
14 |
4-Φ14 |
160 |
180 |
10 |
| 32 |
200 |
135 |
100 |
78 |
- |
16 |
4-Φ18 |
180 |
200 |
11 |
| 40 |
230 |
145 |
110 |
85 |
- |
16 |
4-Φ18 |
220 |
220 |
16 |
| 50 |
250 |
160 |
125 |
100 |
- |
16 |
4-Φ18 |
230 |
240 |
20 |
| 65 |
265 |
180 |
145 |
120 |
- |
18 |
4-Φ18 |
250 |
280 |
28 |
| 80 |
280 |
195 |
160 |
135 |
- |
20 |
8-Φ18 |
280 |
350 |
38 |
| 2.5 |
25 |
160 |
115 |
85 |
65 |
- |
16 |
4-Φ14 |
160 |
180 |
10 |
| 32 |
200 |
135 |
100 |
78 |
- |
18 |
4-Φ18 |
180 |
200 |
11 |
| 40 |
200 |
145 |
110 |
85 |
|
18 |
4-Φ18 |
220 |
220 |
16 |
| 50 |
250 |
160 |
125 |
100 |
- |
20 |
4-Φ18 |
230 |
240 |
20 |
| 65 |
265 |
180 |
145 |
120 |
- |
22 |
8-Φ18 |
250 |
280 |
28 |
| 80 |
280 |
195 |
160 |
135 |
- |
22 |
8-Φ18 |
280 |
350 |
38 |
| 4.0 |
25 |
160 |
115 |
85 |
65 |
58 |
16 |
4-Φ14 |
160 |
180 |
10 |
| 32 |
180 |
135 |
100 |
78 |
66 |
18 |
4-Φ18 |
180 |
200 |
11 |
| 40 |
230 |
145 |
110 |
85 |
76 |
18 |
4-Φ18 |
220 |
220 |
16 |
| 50 |
250 |
160 |
125 |
100 |
88 |
20 |
4-Φ18 |
230 |
240 |
20 |
| 65 |
265 |
180 |
145 |
125 |
110 |
22 |
8-Φ18 |
250 |
280 |
28 |
| 80 |
280 |
195 |
160 |
135 |
121 |
22 |
8-Φ18 |
280 |
350 |
38 |
提示:本文中所有文字、數據、圖片均只適用于參考,需要了解更詳細的【快速排污閥】參數、選型、價格等請聯系我們,我們將竭誠為您服務!