GDQ型氣動高真空擋板閥詳細介紹
GDQ型氣動高真空擋板閥產品概述:
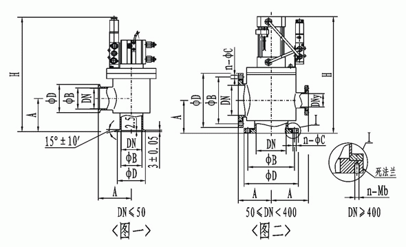
GDQ型系列氣動高真空擋板閥(又稱角閥)是用壓縮空氣為動力,通過電磁換向閥改變氣路方向,推動氣缸活塞上下運動,帶動閥桿上下運動,使閥板開啟或關閉,從而達到在真空系統中接通或切斷氣流的目的。GDQ-J型為角通型式,GDQ-S型為帶預抽口的三通型式。適用的工作介質為空氣及非腐蝕性氣體。注:其中DN400以上底部采用死法蘭n-Mb。
GDQ型氣動高真空擋板閥技術性能:
適用范圍(Pa)
|
105~1.3x10-4
|
閥門漏率(Pa.L/S)
|
≤1.3x10-6
|
介質溫度(℃)
|
-25~+80(密封材料為丁腈橡膠)
-30~+150(密封材料為氟橡膠)
|
氣源壓力(MPa)
|
0.4~0.8
|
安裝位置
|
DN<300任意,DN≥300垂直
|
電源電壓
|
標準出廠:AC220V/50Hz
特殊指定:AC110V;DC24V;DC12V等
|
信號反饋
|
標準出廠:不帶反饋信號
特殊指定:磁性開關DC/AC5~240V
|
GDQ型氣動高真空擋板閥外形結構圖:

GDQ型氣動高真空擋板閥連接尺寸:
(圖一) (KF)連接及外形尺寸
型號
|
通徑(DN)
|
ΦD
|
ΦB
|
H
|
A
|
法蘭標準
|
GDQ-J10/KF
|
10
|
30
|
12.2
|
180
|
30
|
GB4982
|
GDQ-J16/KF
|
16
|
30
|
17.2
|
180
|
40
|
GDQ-J25/KF
|
25
|
40
|
26.2
|
200
|
50
|
GDQ-J40/KF
|
40
|
55
|
41.2
|
210
|
65
|
GDQ-J50/KF
|
50
|
75
|
52.2
|
276
|
70
|
/
|
(圖二) 連接及外形尺寸
型號
|
通徑(DN)
|
ΦD
|
ΦB
|
H
|
A
|
n-ΦC
|
DNy(預抽口)
|
n-Mb
|
法蘭標準
|
GDQ-J50
|
50
|
110
|
90
|
276
|
70
|
4-Φ9
|
/
|
/
|
GB/T6070
|
GDQ-J63
|
63
|
130
|
110
|
283
|
88
|
GDQ-J80
|
80
|
145
|
125
|
314
|
88
|
8-Φ9
|
GDQ-J100
|
100
|
165
|
145
|
338
|
108
|
GDQ-J125
|
125
|
200
|
175
|
424
|
128
|
8-Φ11
|
GDQ-J(S)150
|
150
|
220
|
195
|
482
|
138
|
DN40(GB4982)
|
JB919
|
GDQ-J(S)160
|
160
|
225
|
200
|
482
|
138
|
GB/T6070
|
GDQ-J(S)200
|
200
|
285
|
260
|
620
|
200
|
12-Φ11
|
DN50(GB/T6070)
|
GDQ-J(S)250
|
250
|
335
|
310
|
655
|
208
|
DN63(GB/T6070)
|
GDQ-J(S)300
|
300
|
380
|
350
|
783
|
250
|
8-Φ14
|
DN80(GB/T6070)
|
JB919
|
GDQ-J(S)320
|
320
|
425
|
395
|
789
|
250
|
12-Φ14
|
GB/T6070
|
GDQ-J(S)400
|
400
|
510
|
480
|
1210
|
330
|
16-Φ14
|
DN100(GB/T6070)
|
16-M12
|
GDQ-J(S)400
|
400
|
500
|
465
|
1210
|
330
|
8-M16
|
JB919
|
GDQ-J(S)500
|
500
|
610
|
580
|
1270
|
360
|
DN125(GB/T6070)
|
16-M10
|
GB/T6070
|
GDQ-J(S)600
|
600
|
710
|
670
|
1562
|
450
|
12-Φ21
|
DN160(GB/T6070)
|
12-M18
|
JB919
|
GDQ-J(S)630
|
630
|
750
|
720
|
1562
|
450
|
20-Φ14
|
20-M10
|
GB/T6070
|
GDQ-J(S)800
|
800
|
920
|
890
|
1900
|
520
|
24-Φ14
|
DN200(GB/T6070)
|
24-M10
|
提示:本文中所有文字、數據、圖片均只適用于參考,需要了解更詳細的【GDQ型氣動高真空擋板閥】參數、選型、價格等請聯系我們,我們將竭誠為您服務!