- 上海良大閥門有限公司
- 電話:021-51875578
- 傳真:021-57443237
- 手機:13916747333
- 郵箱:a15566@126.com
- 地址:奉賢區工業綜合開發區942號
當前位置:首頁 >> 真空閥門
>> 真空擋板閥 >> GDQ-J(b)-A型氣動高真空擋板閥 更新時間 2025-5-10 0:34:35
真空擋板閥
| GDQ-J(b)-A型氣動高真空擋板閥 |
![]() |
產品名稱: | GDQ-J(b)-A型氣動高真空擋板閥 | |||||
| 型號: | GDQ-J(b)-A | ||||||
| 口徑: | DN10-40 | ||||||
| 壓力: | 0.6×106 ~1.3×10-4 | ||||||
| 材質: | 鑄鋼、不銹鋼 | ||||||
|
|||||||
| 您正在瀏覽:【GDQ-J(b)-A型氣動高真空擋板閥】 | |||||||
GDQ-J(b)-A型氣動高真空擋板閥詳細介紹
GDQ-J(b)-A型氣動高真空擋板閥產品概述:
GDQ-J(b)-A型系列氣動高真空擋板閥(又稱角閥)采用波紋管密封。該閥以壓縮空氣為動力,通過電磁換向閥改變氣路方向,推動氣缸活塞上下運動,帶動閥桿上下運動,使閥板開啟或關閉,從而達到在真空系統中接通或切斷氣流的目的。本閥具有工作平穩、密封可靠、壽命長等一系列優點,是真空設備的自動化首選閥門之一。閥門適用介質為空氣及非腐蝕性氣體。
GDQ-J(b)-A型氣動高真空擋板閥技術性能:
-25~+40 |
|
標準出廠:AC220V/50Hz |
|

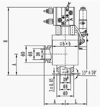
GDQ-J(b)-A型氣動高真空擋板閥連接尺寸:
提示:本文中所有文字、數據、圖片均只適用于參考,需要了解更詳細的【GDQ-J(b)-A型氣動高真空擋板閥】參數、選型、價格等請聯系我們,我們將竭誠為您服務!



















