- 上海良大閥門有限公司
- 電話:021-51875578
- 傳真:021-57443237
- 手機:13916747333
- 郵箱:a15566@126.com
- 地址:奉賢區工業綜合開發區942號
當前位置:首頁 >> 真空閥門
>> 真空擋板閥 >> 高真空氣動擋板閥 更新時間 2025-5-10 0:34:38
真空擋板閥
| 高真空氣動擋板閥 |
![]() |
產品名稱: | 高真空氣動擋板閥 | |||||
| 型號: | GDQ-J/KF | ||||||
| 口徑: | DN10-50 | ||||||
| 壓力: | 0.6×106 ~1.3×10-4 | ||||||
| 材質: | 304、316、316L不銹鋼 | ||||||
|
|||||||
| 您正在瀏覽:【高真空氣動擋板閥】 | |||||||
高真空氣動擋板閥詳細介紹
高真空氣動擋板閥產品概述:
高真空氣動擋板閥采用氟橡膠軸封密封,是用于真空系統中開啟或切斷氣流的真空閥門。閥門以壓縮空氣為動力。通過氣缸執行,電磁換向閥改變氣路方向帶動閥杠上下運動,達到閥板開啟或關閉的目的。本閥門性能可靠、壽命長等優點,閥門具有常開和常閉功能,可選配磁性開關信號控制和防爆電磁閥裝置。適用的工作介質為空氣及非腐蝕性氣體。
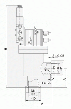
高真空氣動擋板閥外形結構圖:

高真空氣動擋板閥技術性能及連接尺寸:

提示:本文中所有文字、數據、圖片均只適用于參考,需要了解更詳細的【高真空氣動擋板閥】參數、選型、價格等請聯系我們,我們將竭誠為您服務!



















