- 上海良大閥門有限公司
- 電話:021-51875578
- 傳真:021-57443237
- 手機:13916747333
- 郵箱:a15566@126.com
- 地址:奉賢區工業綜合開發區942號
當前位置:首頁 >> 真空閥門
>> 真空蝶閥 >> GIQ-B型氣動高真空蝶閥 更新時間 2025-5-10 0:33:57
真空蝶閥
| GIQ-B型氣動高真空蝶閥 |
![]() |
產品名稱: | GIQ-B型氣動高真空蝶閥 | |||||
| 型號: | GIQ-B | ||||||
| 口徑: | DN50-400 | ||||||
| 壓力: | 0.6×106 ~1.3×10-4 | ||||||
| 材質: | 304、316、316L不銹鋼 | ||||||
|
|||||||
| 您正在瀏覽:【GIQ-B型氣動高真空蝶閥】 | |||||||
GIQ-B型氣動高真空蝶閥詳細介紹
GIQ-B型氣動高真空蝶閥產品概述:
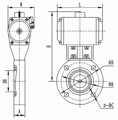
GIQ-B型系列氣動高真空蝶閥的氣動執行器是以壓縮空氣為動力,通過電磁換向閥改變氣路方向,推動活塞齒條、齒輪的機械運動,以角行程輸出扭矩來驅動蝶閥,作啟閉運動。從而達到接通或切斷真空管路中氣流的目的,是目前一種新型的氣動執行器控制的氣動蝶閥,分為雙作用和單作用(彈簧復位)氣缸。可選配反饋信號裝置及電氣閥門定位器。適用的工作介質為空氣和非腐蝕性氣體。
GIQ-B型氣動高真空蝶閥技術性能:
-25~+80(密封材料為丁腈橡膠) |
|
標準出廠:AC220V/50Hz開關型 |
|

GIQ-B型氣動高真空蝶閥連接尺寸:
提示:本文中所有文字、數據、圖片均只適用于參考,需要了解更詳細的【GIQ-B型氣動高真空蝶閥】參數、選型、價格等請聯系我們,我們將竭誠為您服務!



















