- 上海良大閥門有限公司
- 電話:021-51875578
- 傳真:021-57443237
- 手機:13916747333
- 郵箱:a15566@126.com
- 地址:奉賢區工業綜合開發區942號
當前位置:首頁 >> 電動閥門
>> 電動蝶閥 >> 電動高真空蝶閥 更新時間 2025-5-10 0:34:02
電動蝶閥
| 電動高真空蝶閥 |
![]() |
產品名稱: | 電動高真空蝶閥 | |||||
| 型號: | GID | ||||||
| 口徑: | DN40-600 | ||||||
| 壓力: | 0.6×106 ~1.3×10-4 | ||||||
| 材質: | 304、316、316L不銹鋼 | ||||||
|
|||||||
| 您正在瀏覽:【電動高真空蝶閥】 | |||||||
電動高真空蝶閥詳細介紹
電動高真空蝶閥產品概述:
電動高真空蝶閥采用回轉型電動、電子調節式閥門驅動裝置,可以通過外接電源的切換(用手動轉位開關或電腦控制)或外部輸入信號,來實現閥門開、關或中間位置的控制,用于接通或切斷真空管路中的氣流。和其他相同口徑真空閥門相比,具有結構簡單,通導能力大,閥體厚度小,啟閉速度快等優點。適用的工作介質為空氣和非腐蝕性氣體。
電動高真空蝶閥技術性能:
-25~+80(密封材料為丁腈橡膠)
-30~+150(密封材料為氟橡膠) |
|
智能型
|

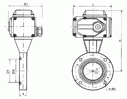
電動高真空蝶閥連接尺寸:
提示:本文中所有文字、數據、圖片均只適用于參考,需要了解更詳細的【電動高真空蝶閥】參數、選型、價格等請聯系我們,我們將竭誠為您服務!



















