- 上海良大閥門有限公司
- 電話:021-51875578
- 傳真:021-57443237
- 手機:13916747333
- 郵箱:a15566@126.com
- 地址:奉賢區工業綜合開發區942號
當前位置:首頁 >> 電動閥門
>> 電動球閥 >> 電動高真空(壓力)球閥 更新時間 2025-5-10 0:34:09
電動球閥
| 電動高真空(壓力)球閥 |
![]() |
產品名稱: | 電動高真空(壓力)球閥 | |||||
| 型號: | GUD | ||||||
| 口徑: | DN10-200 | ||||||
| 壓力: | 0.6×106 ~1.3×10-4 | ||||||
| 材質: | 304、316、316L不銹鋼 | ||||||
|
|||||||
| 您正在瀏覽:【電動高真空(壓力)球閥】 | |||||||
電動高真空(壓力)球閥詳細介紹
電動高真空(壓力)球閥產品概述:
電動高真空(壓力)球閥是應用在真空系統中(又能適用一定的壓力下)開啟或切斷氣流的高真空球閥。執行機構采用回轉型電動,電子調節式驅動裝置,通過外接電源切換或外部輸入信號來實現閥門啟閉或中間位置的控制。本閥門外形結構緊湊,美觀,密封座補償式設計。有自動補償密封座磨損功能,密封可靠,壽命長等優點。適用的工作介質為帶酸、堿性的各類氣體或液體。
電動高真空(壓力)球閥技術性能:
快卸法蘭(KF)2x105~1.3x10-5 |
|
標準出廠:-30~+150 |
|
標準出廠:AC220V/50Hz開關型 |
|

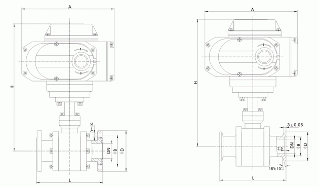
電動高真空(壓力)球閥連接尺寸:
快卸法蘭(KF)連接及外形尺寸(GB4982)
活套法蘭連接及外形尺寸(GB/T6070)
| GUD-10 | 10 | 55 | 40 | 170 | 92 | ||
| GUD-20 | 20 | 65 | 50 | 191 | 114 | ||
| GUD-200 | 200 | 285 | 260 | 512 | 390 | 310 | 12-12 |
提示:本文中所有文字、數據、圖片均只適用于參考,需要了解更詳細的【電動高真空(壓力)球閥】參數、選型、價格等請聯系我們,我們將竭誠為您服務!



















