- 上海良大閥門有限公司
- 電話:021-51875578
- 傳真:021-57443237
- 手機:13916747333
- 郵箱:a15566@126.com
- 地址:奉賢區工業綜合開發區942號
當前位置:首頁 >> 衛生級閥門
>> 不銹鋼衛生級閥門 >> 衛生級取樣閥 更新時間 2025-5-10 0:25:47
不銹鋼衛生級閥門
| 衛生級取樣閥 |
![]() |
產品名稱: | 衛生級取樣閥 | |||||
| 型號: | WCYF | ||||||
| 口徑: | DN15-25 | ||||||
| 壓力: | 1.6-6.4MPa | ||||||
| 材質: | 不銹鋼 | ||||||
|
|||||||
| 您正在瀏覽:【衛生級取樣閥】 | |||||||
衛生級取樣閥詳細介紹
衛生級取樣閥結構尺寸:
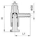
| 螺紋式采樣閥 | |||||
![]() |
Size | H | D2 | G | L1 |
| 1/2" | 89 | 12 | 1/2 | 52 | |
| 焊接式采樣閥 | |||||
![]() |
Size | H | D2 | D | L1 |
| 1/2" | 89 | 12 | 25.4 | 52 | |
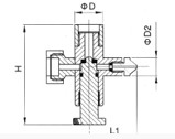
| 卡箍式采樣閥 | |||||
![]() |
Size | H | D2 | B | L |
| 1/2" | 89 | 12 | 50.5 | 52 | |
| 液位計采樣閥 | |||||
![]() |
Size | H | D2 | B | L |
| 1" | 110.0 | 22.0 | 27.2 | 51.0 | |
提示:本文中所有文字、數據、圖片均只適用于參考,需要了解更詳細的【衛生級取樣閥】參數、選型、價格等請聯系我們,我們將竭誠為您服務!























