CCD型電動超高真空插板閥詳細介紹
CCD型電動超高真空插板閥產品概述:
CCD型電動超高真空插板閥是通過電動裝置驅動閥桿帶動閥板作上下運動,達到閥門的開啟或關閉。電動超高真空插板閥用于接通或切斷真空管路中的氣流。適用介質為純凈空氣和非腐蝕性氣體。帶反饋信號裝置。
CCD型電動超高真空插板閥技術性能:
| 適用范圍 |
105~1.3×10-7Pa |
| 閥門漏率 |
≤1.3×10-7Pa.L/S.(DN≤200) ≤6.7×10-7Pa.L/S.(DN≥250) |
| 適用溫度 |
- 30~+150℃ |
| 閥門開啟時閥板兩側的壓差 |
≤2.7×103Pa |
| 電源 |
220V/50Hz |
CCQ型氣動超高真空插板閥零件材料:
| 閥體、閥板 |
不銹鋼 |
| 密封件 |
氟橡膠、波紋管(軸封)、丁腈橡膠 |
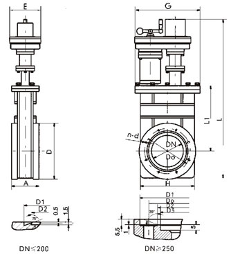
CCD型電動超高真空插板閥外形結構圖:

CCD型電動超高真空插板閥連接尺寸:
| 型號 |
DN |
A |
H |
D |
Do |
D1 |
D2 |
D3 |
L |
L1 |
G |
E |
n-d |
法蘭標準 |
| CCD-50 |
50 |
60 |
92 |
89 |
72.4 |
61.6 |
55.6 |
|
515 |
153 |
220 |
124 |
8-M8 |
GB6071 |
| CCD-63 |
63 |
65 |
105 |
114 |
92.1 |
82.6 |
76.6 |
|
566 |
180 |
220 |
124 |
8-M8 |
| CCD-80 |
80 |
65 |
130 |
130 |
110 |
99 |
93 |
|
603 |
200 |
220 |
124 |
16-M8 |
| CCD-100 |
100 |
70 |
152 |
152 |
130.2 |
120.7 |
114.7 |
|
653 |
267 |
220 |
124 |
16-M8 |
| CCD-150 |
150 |
70 |
202 |
202 |
181 |
171.5 |
165.5 |
|
771 |
350 |
270 |
150 |
20-M8 |
| CCD-200 |
200 |
80 |
251 |
253 |
231.8 |
222.3 |
216.6 |
|
889 |
424 |
270 |
150 |
24-M8 |
| CCD-250 |
250 |
85 |
300 |
314 |
288 |
308 |
275 |
271 |
1127 |
574 |
350 |
200 |
24-M10 |
JB5278 |
| CCD-300 |
300 |
85 |
352 |
365 |
338 |
353 |
323 |
318 |
1197 |
613 |
400 |
200 |
32-M10 |
|
| CCD-320 |
320 |
85 |
372 |
385 |
357 |
379 |
344 |
340 |
1220 |
613 |
440 |
200 |
36-M10 |
JB5278 |
| CCD-400 |
400 |
110 |
456 |
497 |
454 |
480 |
440 |
436 |
1480 |
810 |
536 |
200 |
36-M12 |
| CCD-500 |
500 |
135 |
595 |
590 |
555 |
580 |
540 |
536 |
1580 |
870 |
640 |
220 |
40-M12 |
| CCD-630 |
630 |
135 |
690 |
700 |
658 |
680 |
639 |
635 |
1730 |
960 |
780 |
220 |
40-M16 |
| CCD-800 |
800 |
150 |
880 |
890 |
855 |
880 |
835 |
831 |
1960 |
1100 |
950 |
220 |
60-M16 |
提示:本文中所有文字、數據、圖片均只適用于參考,需要了解更詳細的【CCD型電動超高真空插板閥】參數、選型、價格等請聯系我們,我們將竭誠為您服務!