- 上海良大閥門有限公司
- 電話:021-51875578
- 傳真:021-57443237
- 手機:13916747333
- 郵箱:a15566@126.com
- 地址:奉賢區工業綜合開發區942號
當前位置:首頁 >> 真空閥門
>> 真空擋板閥 >> GD-J(b)型手動高真空擋板閥 更新時間 2025-5-10 0:34:28
真空擋板閥
| GD-J(b)型手動高真空擋板閥 |
![]() |
產品名稱: | GD-J(b)型手動高真空擋板閥 | |||||
| 型號: | GD-J(b) | ||||||
| 口徑: | DN10-50 | ||||||
| 壓力: | 0.6×106 ~1.3×10-4 | ||||||
| 材質: | 鑄鋼、不銹鋼 | ||||||
|
|||||||
| 您正在瀏覽:【GD-J(b)型手動高真空擋板閥】 | |||||||
GD-J(b)型手動高真空擋板閥詳細介紹
GD-J(b)型手動高真空擋板閥產品概述:
GD-J(b)型系列手動高真空擋板閥(又稱角閥)是真空系統中的重要元件之一,該閥傳動部件采用螺紋結構,依靠人手旋轉手輪、啟閉閥板。適用介質為空氣及非腐蝕性氣體。
GD-J(b)型手動高真空擋板閥技術性能:
-25~+40 |
|

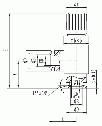
GD-J(b)型手動高真空擋板閥連接尺寸:
提示:本文中所有文字、數據、圖片均只適用于參考,需要了解更詳細的【GD-J(b)型手動高真空擋板閥】參數、選型、價格等請聯系我們,我們將竭誠為您服務!



















