- 上海良大閥門有限公司
- 電話:021-51875578
- 傳真:021-57443237
- 手機:13916747333
- 郵箱:a15566@126.com
- 地址:奉賢區工業綜合開發區942號
當前位置:首頁 >> 真空閥門
>> 真空不銹鋼閥門 >> 不銹鋼高真空擋板閥 更新時間 2025-5-10 0:34:29
真空不銹鋼閥門
| 不銹鋼高真空擋板閥 |
![]() |
產品名稱: | 不銹鋼高真空擋板閥 | |||||
| 型號: | GD-J(b)/KF | ||||||
| 口徑: | DN10-50 | ||||||
| 壓力: | 0.6×106 ~1.3×10-4 | ||||||
| 材質: | 304、316、316L不銹鋼 | ||||||
|
|||||||
| 您正在瀏覽:【不銹鋼高真空擋板閥】 | |||||||
不銹鋼高真空擋板閥詳細介紹
不銹鋼高真空擋板閥產品概述:
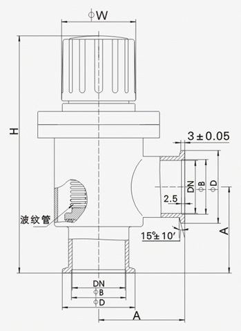
不銹鋼高真空擋板閥是真空系統中開啟或切斷氣流的真空閥門。由螺桿傳動升降閥板,旋轉輕巧、使用壽命長。高真空擋板閥軸封結構可分為GD-J型氟橡膠密封和GD-J(b)型波紋管密封兩種。使用的工作介質氟橡膠密封為空氣及非腐蝕性氣體,波紋管密封為空氣、水蒸氣、腐蝕性氣體。

不銹鋼高真空擋板閥技術性能及連接尺寸:

提示:本文中所有文字、數據、圖片均只適用于參考,需要了解更詳細的【不銹鋼高真空擋板閥】參數、選型、價格等請聯系我們,我們將竭誠為您服務!



















