- 上海良大閥門有限公司
- 電話:021-51875578
- 傳真:021-57443237
- 手機:13916747333
- 郵箱:a15566@126.com
- 地址:奉賢區工業綜合開發區942號
當前位置:首頁 >> 陶瓷閥門
>> 陶瓷閘板閥 >> 陶瓷平行雙閘板閥 更新時間 2025-5-10 0:35:18
陶瓷閘板閥
| 陶瓷平行雙閘板閥 |
![]() |
產品名稱: | 陶瓷平行雙閘板閥 | |||||
| 型號: | Z674TC | ||||||
| 口徑: | DN40-300 | ||||||
| 壓力: | 0.6-6.4MPa | ||||||
| 材質: | 鑄鋼、不銹鋼 | ||||||
|
|||||||
| 您正在瀏覽:【陶瓷平行雙閘板閥】 | |||||||
陶瓷平行雙閘板閥詳細介紹
陶瓷平行雙閘板閥產品概述:
陶瓷平行雙閘板閥或陶瓷干灰閥,其啟閉件(陶瓷閘板)由閥桿帶動作升降運動,陶瓷雙閘板閥由氣缸或手輪驅動,閥桿帶動閥板上下移動實現閥門的啟閉,閥門啟閉過程中依靠雙閘板之間內置彈簧的預緊力使陶瓷閘板和陶瓷閥座達到可靠的密封比壓從而實現密封。在開啟排卸物料時,會產生渦流,形成的物料渦流會自行清掃閥門內腔,從而有效避免閥門內部積料,卡堵等情況的發生。
陶瓷平行雙閘板閥結構特點:
1、閘板、閥座均采用高性能增韌工程陶瓷制造,具有出色的耐沖刷、耐磨損性能;
2、閘板之間內置有彈簧,以彈簧雙向柔性預緊壓力來實現自緊式密封,具有低壓雙向密封,啟閉過程無卡澀及積灰現象;
3、閥門啟閉過程中,陶瓷閘板自旋轉與陶瓷閥座均勻研磨,從而極大的降低磨損并提高產品的使用壽命;
4、閥體對通道采用偏心設計,在閥板開啟排泄物料時會產生物料渦流,物料渦流會清掃閥體內腔的卡塞物料,閥體上設置有吹掃口,以便于在檢修閥門時通過外接氣源來輔助清除閥門內的積灰。
陶瓷平行雙閘板閥應用規范:
設計規范:JB/T12224
結構長度:根據客戶要求或制造廠標準
連接標準:GB/T 9113/JB 79.1/HG 20592
壓力試驗:JB/T 9092
產品標識:GB/T 12220
供貨規范:JB/T 12252
陶瓷平行雙閘板閥零件材料:
主體:碳鋼(WCB)、不銹鋼(CF8、CF8M、CF3、CF3M)等
閘板:不銹鋼
閥桿:不銹鋼
填料:橡膠/聚四氟乙烯/編織石墨
公稱通徑:DN50-DN600(2"-24")
公稱壓力:PN6-PN64
適用溫度:-29~+425℃
操作方式:手輪、傘齒輪、氣動、電動、液動、電液(可選)
適用介質:煤灰、煤粉、礦渣、氧化鋁粉、水泥等高沖刷高磨損性介質
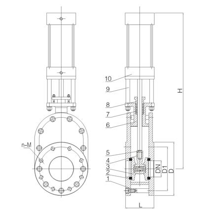
陶瓷平行雙閘板閥外形結構圖:

陶瓷平行雙閘板閥連接尺寸:
DN |
PN(Mpa) |
L |
D |
D1 |
C |
H |
n-d |
40 |
1.0 |
120 |
150 |
110 |
16 |
450 |
4-m16 |
50 |
120 |
165 |
125 |
16 |
510 |
4-m16 |
|
65 |
120 |
180 |
145 |
18 |
580 |
4-m16 |
|
80 |
120 |
195 |
160 |
20 |
610 |
8-m16 |
|
100 |
120 |
215 |
180 |
20 |
670 |
8-m16 |
|
125 |
160 |
250 |
210 |
22 |
780 |
8-m16 |
|
150 |
160 |
285 |
240 |
24 |
850 |
8-m20 |
|
175 |
160 |
315 |
270 |
26 |
950 |
8-m20 |
|
200 |
160 |
340 |
295 |
26 |
1050 |
8-m20 |
|
225 |
160 |
370 |
325 |
30 |
1100 |
8-m20 |
|
250 |
200 |
395 |
350 |
30 |
1190 |
12-m20 |
|
300 |
200 |
450 |
400 |
30 |
1350 |
12-m20 |
提示:本文中所有文字、數據、圖片均只適用于參考,需要了解更詳細的【陶瓷平行雙閘板閥】參數、選型、價格等請聯系我們,我們將竭誠為您服務!



















