- 上海良大閥門有限公司
- 電話:021-51875578
- 傳真:021-57443237
- 手機:13916747333
- 郵箱:a15566@126.com
- 地址:奉賢區工業綜合開發區942號
當前位置:首頁 >> 球閥
>> 氣動球閥 >> 氣動三通換向球閥 更新時間 2025-5-10 0:43:28
氣動球閥
| 氣動三通換向球閥 |
![]() |
產品名稱: | 氣動三通換向球閥 | |||||
| 型號: | Q642F/H/Y | ||||||
| 口徑: | DN50-400 | ||||||
| 壓力: | 1.0-6.4MPa | ||||||
| 材質: | 鑄鋼、不銹鋼等 | ||||||
|
|||||||
| 您正在瀏覽:【氣動三通換向球閥】 | |||||||
氣動三通換向球閥詳細介紹
氣動三通換向球閥產品概述:
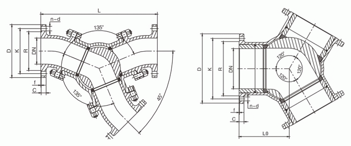
氣動三通換向球閥主要由Y型三通球閥和氣動執行機構以及電磁閥、限位開關、空氣過濾減壓閥等控制裝置組成,其閥體中設有Y形流體通道,并放置有接通或切斷流體通道的球體,球體上有一體成型的閥桿,氣動驅動裝置與閥桿固定連接,當氣缸與電路和系統氣源接通后,空氣通過管道A或B管進入A缸(B缸)推動活塞向一端運動,從而驅動閥桿帶動球體轉動120°或135°,實現介質流向的切換與自動控制的功能?! ?/span>
氣動三通換向球閥閥體采用的是一進兩出(一個進料口,二個出料口)的Y形三通結構,其帶柄球體兩通孔呈120°或135°。該閥出廠初始狀態為右出料口關閉,進料口與左出料口相通,當需要換向時,接通氣源,氣源壓力作用在氣缸活塞上產生一個推力,帶動閥桿旋轉120°或135°,球體位移,使閥門進料口與右出料口相通,左出料口關閉。本產品操作機構可選用120°或135°角行程GT、AT、AW系列雙作用氣動執行器。
氣動三通換向球閥技術規范:
氣動三通換向球閥零件材料:

氣動三通換向球閥外形結構圖:

氣動三通換向球閥外形尺寸表:

提示:本文中所有文字、數據、圖片均只適用于參考,需要了解更詳細的【氣動三通換向球閥】參數、選型、價格等請聯系我們,我們將竭誠為您服務!



















