- 上海良大閥門有限公司
- 電話:021-51875578
- 傳真:021-57443237
- 手機:13916747333
- 郵箱:a15566@126.com
- 地址:奉賢區工業綜合開發區942號
當前位置:首頁 >> 陶瓷閥門
>> 陶瓷蝶閥 >> 法蘭式陶瓷蝶閥 | 法蘭式陶瓷蝶閥 |
![]() |
產品名稱: | 法蘭式陶瓷蝶閥 | |||||
| 型號: | D343TC | ||||||
| 口徑: | DN50-500 | ||||||
| 壓力: | 0.6-6.4MPa | ||||||
| 材質: | 鑄鋼、不銹鋼 | ||||||
|
|||||||
| 您正在瀏覽:【法蘭式陶瓷蝶閥】 | |||||||
法蘭式陶瓷蝶閥詳細介紹
法蘭式陶瓷蝶閥產品概述:
法蘭式陶瓷蝶閥性能特點:
1、法蘭式陶瓷蝶閥蝶板密封圈與閥座密封圈采用高性能增韌結構陶瓷材料,耐磨損耐腐蝕,閥體采用整體法蘭式結構,結構緊湊,體積小,重量輕,操作靈活,啟閉力矩小,廣泛應用于各種高磨損場合。
2、密封副間三偏心錐角結構使蝶閥開啟瞬間兩密封面馬上相互脫離,確保密封副間相互無摩擦。
3、密封副間三偏心結構關閉時具有越關越緊的功能,密封更加可靠,達到不泄漏,并且具有雙向密封功能。
4、耐高溫、高壓、耐腐蝕、使用壽命長,享有“與管道同壽命”之美譽。
5、具有密封調節性能,密封性能下降時,可調節密封圈向閥座靠近,即可恢復密封性能。
6、工況需要時,通過調節蝶閥的啟閉角度,進而起到調節流量的作用。
設計與制造 |
GB/T 12224 |
|
連接端尺寸 |
結構長度 |
GB/T 12221 |
法蘭尺寸 |
GB/T9113 |
|
檢驗與試驗 |
GB/T 13927 |
|
材料 |
碳鋼 |
GB/T 12229 |
不銹鋼 |
GB/T 12230 |
|
標志 |
GB/T 12220 |
|
供貨 |
GB/T 12252 |
|
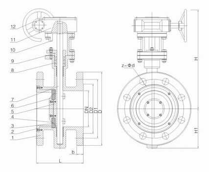
序號 |
名稱 |
材料 |
序號 |
名稱 |
材料 |
1 |
閥體 |
WCB |
7 |
閥桿 |
2Cr13 |
2 |
壓圈 |
Q235 |
8 |
填料 |
柔性石墨 |
3 |
閥座 |
結構陶瓷 |
9 |
填料壓蓋 |
WCB |
4 |
密封圈 |
結構陶瓷 |
10 |
支架 |
WCB |
5 |
閥板 |
WCB |
11 |
驅動裝置 |
成品件 |
6 |
壓板 |
Q235 |
12 |
手輪 |
Qt400 |
法蘭式陶瓷蝶閥外形結構圖:

法蘭式陶瓷蝶閥連接尺寸:
DN |
PN(Mpa) |
L |
D |
D1 |
D2 |
H |
H1 |
z-Φd |
50 |
1.0 |
108 |
140 |
125 |
100 |
254 |
85 |
4-Φ18 |
65 |
112 |
160 |
145 |
120 |
278 |
95 |
4-Φ18 |
|
80 |
114 |
185 |
160 |
135 |
312 |
106 |
4-Φ18 |
|
100 |
127 |
205 |
180 |
155 |
330 |
114 |
8-Φ18 |
|
125 |
140 |
235 |
210 |
185 |
365 |
130 |
8-Φ18 |
|
150 |
140 |
260 |
240 |
210 |
404 |
148 |
8-Φ23 |
|
200 |
152 |
315 |
295 |
265 |
496 |
176 |
8-Φ23 |
|
250 |
165 |
370 |
350 |
320 |
558 |
210 |
8-Φ23 |
|
300 |
178 |
435 |
400 |
368 |
632 |
238 |
8-Φ23 |



















