- 上海良大閥門有限公司
- 電話:021-51875578
- 傳真:021-57443237
- 手機:13916747333
- 郵箱:a15566@126.com
- 地址:奉賢區工業綜合開發區942號
當前位置:首頁 >> 陶瓷閥門
>> 陶瓷進料閥 >> 氣動陶瓷進料閥 更新時間 2025-5-10 0:35:12
陶瓷進料閥
| 氣動陶瓷進料閥 |
![]() |
產品名稱: | 氣動陶瓷進料閥 | |||||
| 型號: | Z644TC | ||||||
| 口徑: | DN50-300 | ||||||
| 壓力: | 1.0-6.4MPa | ||||||
| 材質: | 鑄鋼、不銹鋼 | ||||||
|
|||||||
| 您正在瀏覽:【氣動陶瓷進料閥】 | |||||||
氣動陶瓷進料閥詳細介紹
氣動陶瓷進料閥產品簡介:
氣動陶瓷進料閥/平衡閥一面閥板采用獨創的開孔設計,啟動負荷小,閥腔無卡塞現象,另一面閥板采用陶瓷閥板單面密封,耐腐蝕性強,密封性好,使用壽命大。當氣源從上進氣口通入時,氣缸桿帶動閥板向下運動,閥門關閉。當氣源從下進氣口通入時,氣缸桿帶動閥板向上運動,閥門開啟。閥板與密封環之間加載彈簧,彈簧力始終使閥板壓向密封環,又容許閥板在垂直上下方向移動,這有助于補償閥門零件的熱脹冷縮,并能克服任何背壓變化對密封的影響與防止顆粒介質進入兩密封面之間。在啟閉過程中,閥板能產生自轉,使得密封面之間產生研磨、拋光作用。而且由于閥體對通道偏心,在開啟排卸物料時,會產生渦流,形成的物料旋渦會自行清掃閥門內腔。所有的這些特點,使得這種閥門具有超長的使用壽命,為您的系統安全運行提供了可靠的保證。
氣動陶瓷進料閥結構特點:
1、本閥門關閉后任何方向全部密封。閥體中間采用WCB鑄鋼件及無縫鋼管焊接。密封面采用硬密封件。
2、本閥料口全流通無阻擋物有吹堵裝置,耐磨性能,密封性能好,氣動負荷小卡灰及結灰現象少。
2、本閥料口全流通無阻擋物有吹堵裝置,耐磨性能,密封性能好,氣動負荷小卡灰及結灰現象少。
3、本閥采用高檔曾韌結構陶瓷密封,機械強度高耐磨性能好使用壽命長。結構緊湊可任意角度安裝
氣動陶瓷進料閥應用規范:
氣動陶瓷進料閥零件材料:
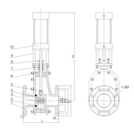
氣動陶瓷進料閥外形結構圖:

氣動陶瓷進料閥連接尺寸:
| 設計與制造 | GB/T 12224 | |
| 連接端尺寸 | 結構長度 | 廠商標準 |
| 法蘭尺寸 | JB/T 79.1 | |
| 檢驗與試驗 | GB/T 9092 | |
| 材料 | 碳鋼 | GB/T 12229 |
| 不銹鋼 | GB/T 12230 | |
| 標志 | GB/T 12220 | |
| 供貨 | GB/T 12252 | |
氣動陶瓷進料閥零件材料:
| 序號 | 名稱 | 材料 | 序號 | 名稱 | 材料 |
| 1 | 閥體 | WCB | 6 | 中閥體 | WCB |
| 2 | 閥座 | 結構陶瓷 | 7 | 填料 | 柔性石墨 |
| 3 | 閥板 | WCB+結構陶瓷 | 8 | 填料壓蓋 | WCB |
| 4 | 閥板座 | WCB | 9 | 支柱 | 25# |
| 5 | 螺母 | 25# | 10 | 氣動裝置 | 成品件 |
氣動陶瓷進料閥外形結構圖:

氣動陶瓷進料閥連接尺寸:
| DN | PN(Mpa) | L | D | D1 | H | n-d |
| 50 | 1.0 | 220 | 160 | 125 | 510 | 4-M16 |
| 65 | 260 | 180 | 145 | 580 | 4-M16 | |
| 80 | 310 | 195 | 160 | 610 | 8-M16 | |
| 100 | 310 | 210 | 180 | 670 | 8-M16 | |
| 125 | 310 | 245 | 210 | 780 | 8-M16 | |
| 150 | 365 | 280 | 240 | 850 | 8-M20 | |
| 175 | 365 | 310 | 270 | 950 | 8-M20 | |
| 200 | 365 | 335 | 295 | 1060 | 8-M20 | |
| 250 | 460 | 405 | 350 | 1190 | 12-M22 | |
| 300 | 470 | 460 | 400 | 1350 | 12-M22 |
提示:本文中所有文字、數據、圖片均只適用于參考,需要了解更詳細的【氣動陶瓷進料閥】參數、選型、價格等請聯系我們,我們將竭誠為您服務!



















