- 上海良大閥門有限公司
- 電話:021-51875578
- 傳真:021-57443237
- 手機:13916747333
- 郵箱:a15566@126.com
- 地址:奉賢區工業綜合開發區942號
當前位置:首頁 >> 陶瓷閥門
>> 陶瓷圓盤閥 >> 耐磨陶瓷圓盤閥 | 耐磨陶瓷圓盤閥 |
![]() |
產品名稱: | 耐磨陶瓷圓盤閥 | |||||
| 型號: | YP643TC | ||||||
| 口徑: | DN50-300 | ||||||
| 壓力: | 1.0-6.4MPa | ||||||
| 材質: | 鑄鋼、不銹鋼 | ||||||
|
|||||||
| 您正在瀏覽:【耐磨陶瓷圓盤閥】 | |||||||
耐磨陶瓷圓盤閥詳細介紹
氣動耐磨陶瓷圓盤閥產品概述:
氣動耐磨陶瓷圓盤閥應用規范:
設計與制造 |
GB/T 12224 |
|
連接端尺寸 |
結構長度 |
廠商標準 |
法蘭尺寸 |
JB/T79.1 |
|
檢驗與試驗 Inspection and test |
GB/T 9092 |
|
材料 |
碳鋼 |
GB/T 12229 |
不銹鋼 |
GB/T 12230 |
|
標志 Mark |
GB/T 12220 |
|
供貨 Supply |
GB/T 12252 |
|
氣動耐磨陶瓷圓盤閥零件材料:
序號 |
名稱 |
材料 |
序號 |
名稱 |
材料 |
1 |
中體 |
WCB |
5 |
托架 |
WCB |
2 |
法體 |
WCB |
6 |
閥體 |
WCB |
3 |
閥座 |
結構陶瓷 |
7 |
氣動裝置 |
成品件 |
4 |
閥板 |
WCB+結構陶瓷 |
8 |
支架 |
Q235 |
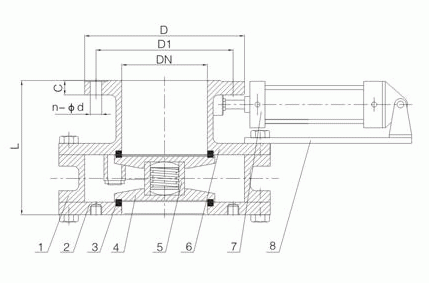
氣動耐磨陶瓷圓盤閥外形結構圖:

氣動耐磨陶瓷圓盤閥連接尺寸:
DN |
PN(Mpa) |
L |
D |
D1 |
C |
n-d |
50 |
|
210 |
160 |
125 |
16 |
4-Φ18 |
65 |
210 |
180 |
145 |
18 |
4-Φ18 |
|
80 |
250 |
195 |
160 |
20 |
8-Φ18 |
|
100 |
250 |
215 |
180 |
20 |
8-Φ18 |
|
125 |
265 |
245 |
210 |
22 |
8-Φ18 |
|
150 |
285 |
280 |
240 |
24 |
8-Φ23 |
|
200 |
310 |
340 |
295 |
26 |
8-Φ23 |
|
250 |
350 |
405 |
350 |
30 |
12-Φ23 |
|
300 |
350 |
460 |
400 |
30 |
12-Φ23 |



















