- 上海良大閥門有限公司
- 電話:021-51875578
- 傳真:021-57443237
- 手機:13916747333
- 郵箱:a15566@126.com
- 地址:奉賢區工業綜合開發區942號
當前位置:首頁 >> 陶瓷閥門
>> 陶瓷出料閥 >> 氣動陶瓷耐磨出料閥 更新時間 2025-5-10 0:35:17
陶瓷出料閥
| 氣動陶瓷耐磨出料閥 |
![]() |
產品名稱: | 氣動陶瓷耐磨出料閥 | |||||
| 型號: | Z674TC | ||||||
| 口徑: | DN40-300 | ||||||
| 壓力: | 1.0-6.4MPa | ||||||
| 材質: | 鑄鋼、不銹鋼 | ||||||
|
|||||||
| 您正在瀏覽:【氣動陶瓷耐磨出料閥】 | |||||||
氣動陶瓷耐磨出料閥詳細介紹
氣動陶瓷耐磨出料閥產品概述:
氣動陶瓷耐磨出料閥專為氣力除灰系統設計,具有啟閉動作可靠、啟動負荷小;本閥料口全流通無阻擋物有吹堵裝置,不容易積灰。耐磨性強、阻力小、卡灰及結灰現象少;安裝檢修方便、使用壽命長、密封性能好等特點。 獨特的設計理念在于閥門動作時閥板對閥座密封面產生自研磨,拋光作用,使它在惡劣工況的使用過程中能不斷提高耐磨性和密封性。氣動陶瓷耐磨出料閥采用結構陶瓷做密封件,耐沖刷、耐磨性好。撐開式雙閘板密封結構,閥門關閉時雙向密封;根據不同工況可設置吹掃口、灰渣漏斗,適用于干灰系統、渣漿等介質的輸送系統中;積灰少,無卡澀,維護簡單,使用壽命長。氣動執行器采用全封閉推桿式直缸驅動,性能可靠,輸出扭距大,可滿足在惡劣工況條件下工作。也可適用于礦山、造紙、化工等各類有磨損的干粉塵、水、蒸汽等介質。
氣動陶瓷耐磨出料閥性能特點:
1、具有自動清潔功能,開放式的大體腔結構可以保證閘板自由升降運動并防止體腔內積料,同時也避免損傷閥門密封面。閥門開啟時,閘板會繞自身軸線旋轉,能自動清潔閥門密封面內的雜物,因此具有自動清潔功能。
2、閥門密封面不易受損,已經證實,繞自身軸線旋轉的閘板在高磨損和高沖刷工況中具有出色的表現,兩個閥板間有彈簧負載,保證閥門可以雙向密封。閘板的尖銳的棱角可以有效刮除密封面上的雜質。
氣動陶瓷耐磨出料閥應用規范:
設計與制造 |
GB/T 12224 |
|
連接端尺寸 |
結構長度 |
廠商標準 |
法蘭尺寸 |
JB/T 79.1 |
|
檢驗與試驗 |
GB/T 9092 |
|
材料 |
碳鋼 |
GB/T 12229 |
不銹鋼 |
GB/T 12230 |
|
標志 |
GB/T 12220 |
|
供貨 |
GB/T 12252 |
|
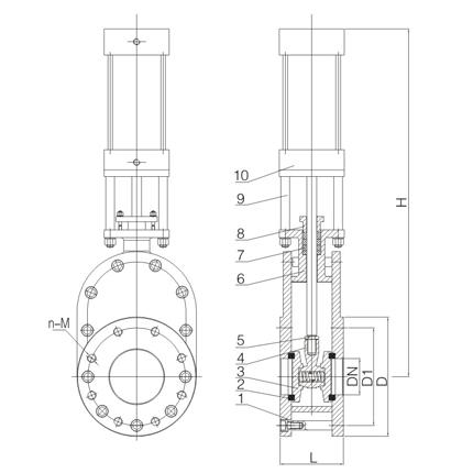
氣動陶瓷耐磨出料閥零件材料:
序號 |
名稱 |
材料 |
序號 |
名稱 |
材料 |
1 |
閥體 |
WCB |
6 |
中閥體 |
WCB |
2 |
閥座 |
結構陶瓷 |
7 |
填料 |
柔性石墨 |
3 |
閥板 |
WCB+結構陶瓷 |
8 |
填料壓蓋 |
WCB |
4 |
閥板座 |
WCB |
9 |
支柱 |
25# |
5 |
螺母 |
25# |
10 |
氣動裝置 |
成品件 |
氣動陶瓷耐磨出料閥外形結構圖:

氣動陶瓷耐磨出料閥連接尺寸:
DN |
PN(Mpa) |
L |
D |
D1 |
C |
H |
n-d |
40 |
1.0 |
120 |
150 |
110 |
16 |
450 |
4-m16 |
50 |
120 |
165 |
125 |
16 |
510 |
4-m16 |
|
65 |
120 |
180 |
145 |
18 |
580 |
4-m16 |
|
80 |
120 |
195 |
160 |
20 |
610 |
8-m16 |
|
100 |
120 |
215 |
180 |
20 |
670 |
8-m16 |
|
125 |
160 |
250 |
210 |
22 |
780 |
8-m16 |
|
150 |
160 |
285 |
240 |
24 |
850 |
8-m20 |
|
175 |
160 |
315 |
270 |
26 |
950 |
8-m20 |
|
200 |
160 |
340 |
295 |
26 |
1050 |
8-m20 |
|
225 |
160 |
370 |
325 |
30 |
1100 |
8-m20 |
|
250 |
200 |
395 |
350 |
30 |
1190 |
12-m20 |
|
300 |
200 |
450 |
400 |
30 |
1350 |
12-m20 |
提示:本文中所有文字、數據、圖片均只適用于參考,需要了解更詳細的【氣動陶瓷耐磨出料閥】參數、選型、價格等請聯系我們,我們將竭誠為您服務!



















