- 上海良大閥門有限公司
- 電話:021-51875578
- 傳真:021-57443237
- 手機:13916747333
- 郵箱:a15566@126.com
- 地址:奉賢區工業綜合開發區942號
當前位置:首頁 >> 真空閥門
>> 真空蝶閥 >> GI-A型高真空蝶閥 更新時間 2025-5-10 0:33:53
真空蝶閥
| GI-A型高真空蝶閥 |
![]() |
產品名稱: | GI-A型高真空蝶閥 | |||||
| 型號: | GI-A | ||||||
| 口徑: | DN50-300 | ||||||
| 壓力: | 0.6×106 ~1.3×10-4 | ||||||
| 材質: | 304、316、316L不銹鋼 | ||||||
|
|||||||
| 您正在瀏覽:【GI-A型高真空蝶閥】 | |||||||
GI-A型高真空蝶閥詳細介紹
GI-A型高真空蝶閥產品概述:
GI-A型高真空蝶閥是用來接通或切斷真空管路中的氣流,閥門的閥板采用夾緊結構,把閥板的密封圈夾緊,起到更好的密封作用。閥門開閉有鎖定功能、旋轉平穩、密封可靠。高真空蝶閥是使用閥桿插入體內,閥板固定在閥桿上的原理,轉動90度達到開關目的。適用的工作介質為空氣和非腐蝕性氣體。
GI-A型高真空蝶閥技術性能:
任意 |
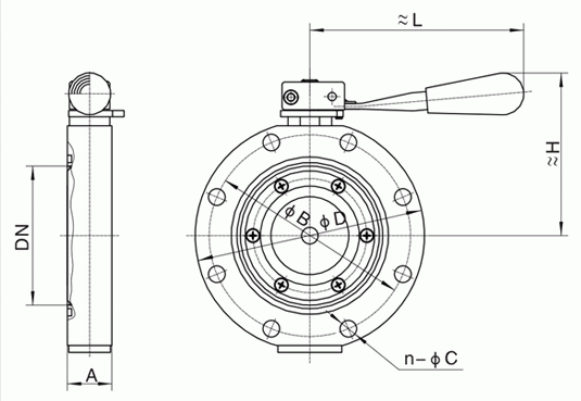
GI-A型高真空蝶閥外形結構圖:

GI-A型高真空蝶閥連接尺寸:
提示:本文中所有文字、數據、圖片均只適用于參考,需要了解更詳細的【GI-A型高真空蝶閥】參數、選型、價格等請聯系我們,我們將竭誠為您服務!



















