- 上海良大閥門有限公司
- 電話:021-51875578
- 傳真:021-57443237
- 手機:13916747333
- 郵箱:a15566@126.com
- 地址:奉賢區工業綜合開發區942號
當前位置:首頁 >> 真空閥門
>> 真空蝶閥 >> GIQ型氣動高真空蝶閥 更新時間 2025-5-10 0:33:56
真空蝶閥
| GIQ型氣動高真空蝶閥 |
![]() |
產品名稱: | GIQ型氣動高真空蝶閥 | |||||
| 型號: | GIQ | ||||||
| 口徑: | DN40-500 | ||||||
| 壓力: | 0.6×106 ~1.3×10-4 | ||||||
| 材質: | 304、316、316L不銹鋼 | ||||||
|
|||||||
| 您正在瀏覽:【GIQ型氣動高真空蝶閥】 | |||||||
GIQ型氣動高真空蝶閥詳細介紹
GIQ型氣動高真空蝶閥產品概述:
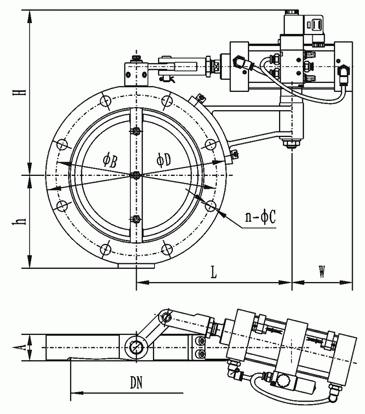
GIQ型系列氣動高真空蝶閥適用于高真空系統中用來接通或截止氣流之用。氣動高真空蝶閥以壓縮空氣為動力,通過電磁換向閥改變氣路方向,執行氣缸推動,使固定在轉動軸上的閥板旋轉90°實現閥門的開啟和關閉。適用的工作介質為空氣和非腐蝕性氣體。氣動執行器控制的氣動蝶閥,分為雙作用和單作用(彈簧復位)氣缸??蛇x配信號反饋控制,防爆電氣裝置及氣源處理元件。
GIQ型氣動高真空蝶閥技術性能:
-25~+80(密封材料為丁腈橡膠) |
|
標準出廠:AC220V/50Hz |
|

GIQ型氣動高真空蝶閥連接尺寸:
提示:本文中所有文字、數據、圖片均只適用于參考,需要了解更詳細的【GIQ型氣動高真空蝶閥】參數、選型、價格等請聯系我們,我們將竭誠為您服務!



















