- 上海良大閥門有限公司
- 電話:021-51875578
- 傳真:021-57443237
- 手機:13916747333
- 郵箱:a15566@126.com
- 地址:奉賢區工業綜合開發區942號
當前位置:首頁 >> 陶瓷閥門
>> 圓頂閥 >> 氣動圓頂閥 | 氣動圓頂閥 |
![]() |
產品名稱: | 氣動圓頂閥 | |||||
| 型號: | YDF-B | ||||||
| 口徑: | DN50-350 | ||||||
| 壓力: | 1.0-6.4MPa | ||||||
| 材質: | 鑄鋼、不銹鋼 | ||||||
|
|||||||
| 您正在瀏覽:【氣動圓頂閥】 | |||||||
氣動圓頂閥詳細介紹
氣動圓頂閥產品概述:
圓頂閥閥芯根據使用場合的不同,采用不同材料,表面進行不同硬化處理方式,利用閥芯光滑堅硬的表面,可保證與橡膠密封圈良好的緊密接觸,以確保密封的可靠。橡膠密封圈采用特種橡膠制成,具有耐高溫、耐腐蝕、耐磨損、耐老化等特點,使用壽命長。閥門開啟時,料口全流通無阻擋。該閥適用于氣體、液體、半流體及固體粉末等物質。氣動執行器采用直線汽缸或扇形氣缸全封閉驅動,輸出扭距大,性能可靠,可滿足在惡劣工況條件下工作。
氣動圓頂閥應用規范:
|
設計與制造 |
GB/T 12224 |
|
|
連接端尺寸 |
結構長度 |
廠商標準 |
|
法蘭尺寸 |
廠商標準 |
|
|
檢驗與試驗 Inspection and test |
GB/T 9092 |
|
|
材料 |
碳鋼 |
GB/T 12229 |
|
不銹鋼 |
GB/T 12230 |
|
|
標志 Mark |
GB/T 12220 |
|
氣動圓頂閥零件材料:
序號 |
名稱 |
材料 |
序號 |
名稱 |
材料 |
1 |
閥體 |
WCB |
6 |
座板 |
WCB |
2 |
下閥桿 |
2Cr13 |
7 |
隔環 |
F6a |
3 |
半球體 |
WCB+球面鍍硬鉻 |
8 |
擺桿 |
WCB |
4 |
上閥桿 |
2Cr13 |
9 |
支架 |
Q235 |
5 |
密封圈 |
耐磨橡膠 |
10 |
氣動裝置 |
成品件 |
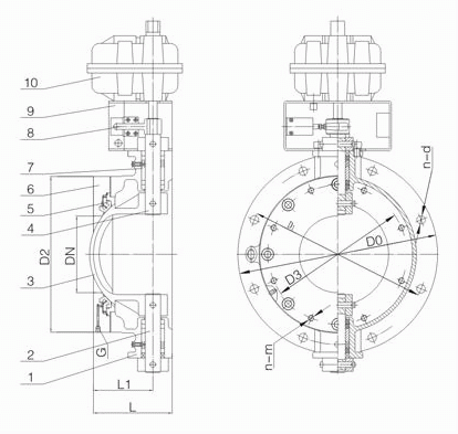
氣動圓頂閥外形結構圖:

氣動圓頂閥連接尺寸:
|
DN |
L |
L1 |
D0 |
D1 |
D2 |
D3 |
G |
n-M |
n-d |
|
50 |
100 |
60 |
280 |
240 |
160 |
125 |
1/8 |
4-M12 |
4-18 |
|
65 |
110 |
70 |
250 |
210 |
180 |
145 |
1/8 |
4-M12 |
4-18 |
|
80 |
120 |
80 |
280 |
240 |
200 |
160 |
1/8 |
4-M12 |
6-18 |
|
100 |
130 |
95 |
335 |
295 |
240 |
200 |
1/8 |
4-M12 |
6-18 |
|
125 |
140 |
110 |
365 |
325 |
280 |
240 |
1/8 |
6-M12 |
6-22 |
|
150 |
160 |
125 |
390 |
350 |
320 |
280 |
1/8 |
6-M12 |
6-22 |
|
175 |
180 |
140 |
440 |
400 |
360 |
320 |
1/8 |
8-M12 |
8-22 |
|
200 |
205 |
155 |
520 |
470 |
415 |
315 |
1/8 |
8-M12 |
8-22 |
|
250 |
240 |
185 |
580 |
525 |
460 |
420 |
1/8 |
8-M20 |
12-27 |
|
300 |
280 |
220 |
640 |
585 |
530 |
470 |
1/8 |
8-M20 |
12-27 |
|
350 |
320 |
250 |
740 |
675 |
605 |
480 |
1/8 |
8-M20 |
12-27 |



















