- 上海良大閥門有限公司
- 電話:021-51875578
- 傳真:021-57443237
- 手機:13916747333
- 郵箱:a15566@126.com
- 地址:奉賢區工業綜合開發區942號
當前位置:首頁 >> 陶瓷閥門
>> 圓頂閥 >> 圓頂閥 | 圓頂閥 |
![]() |
產品名稱: | 圓頂閥 | |||||
| 型號: | YDF | ||||||
| 口徑: | DN50-350 | ||||||
| 壓力: | 1.0-6.4MPa | ||||||
| 材質: | 鑄鋼、不銹鋼 | ||||||
|
|||||||
| 您正在瀏覽:【圓頂閥】 | |||||||
圓頂閥詳細介紹
圓頂閥產品概述:
圓頂閥是一種新型的快速起閉閥門,是目前國際上燃煤電廠氣力輸灰系統中使用數量最多、使用效果最佳的關鍵性閥門。主要應用于電力、冶金、化工、食品、制藥等領域氣力輸送系統中的干灰、干粉物料的進料口、出料口、排氣口、助吹口、排堵口及管道切換的開關控制。產品的優良性能在多年市場運作中得到充分驗證,贏得了廣大客戶的信賴。
圓頂閥工作原理:
圓頂閥閥芯是一個球面圓頂,圓頂閥在開關過程中,閥芯與橡膠密封圈間保持有約2mm的間隙,使閥芯與橡膠密封圈可以以無接觸的方式運動,目的是使閥芯與密封圈之間不產生摩擦,減少磨損。圓頂閥的氣動執行元件為全封閉回轉推桿式氣缸,直接驅動圓頂閥轉動,有效地防止了灰塵進入其中造成磨損、泄漏等現象的發生。當圓頂閥處于關閉狀態時,橡膠密封圈充氣,膨脹緊緊地壓在球面圓頂閥芯上,從而形成一個非??煽康拿芊猸h帶,阻止了管道內物料的流動。當圓頂閥開啟時,橡膠密封圈排氣,圓頂閥閥芯開啟,此時閥門打開。
圓頂閥性能特點:
1、 啟閉靈活、閥芯無沖刷 圓頂閥在開關過程中,閥芯與特制的橡膠密封圈保持有0.8~1.5mm的間隙,閥芯動作時與密封圈無接觸、運行阻力小、轉動靈活、可靠,密封圈的使用壽命長;閥門開啟時,料口全流通無阻擋,避免了物料對閥芯的直接沖刷。
2、密封嚴密、性能優良 圓頂閥的密封采用特制可充氣式橡膠密封圈,密封性好。當圓頂閥處于關閉狀態時,橡膠密封圈充氣、膨脹,緊緊包裹在球面閥芯上,形成一個非??煽康拿芊猸h帶,密封嚴密,從而能有效截斷管道內物料的流動。
3、選材考究、工藝科學 閥芯是圓頂閥的核心部件,根據使用工況的不同采用不同的耐磨材料,使產品具有耐磨、耐沖刷等特性;閥芯光滑堅硬的表面,保證了閥芯與橡膠密封圈的緊密接觸,實現了密封的最佳配置。
4、 自動控制、運行可靠 圓頂閥的氣動執行器采用全封閉回轉推桿式直缸驅動,回轉輸出,性能可靠,輸出扭矩大,可滿足在惡劣工況條件下工作。
圓頂閥零件材料:
序號
N o.
名稱
Name
材料
material
序號
N o.
名稱
Name
材料
material
1
閥體
Body
WCB
6
座板
Seat plate
WCB
2
下閥桿
Stem
2Cr13
7
隔環
Spacer ring
F6a
3
半球體
Half & ball
WCB+球面鍍硬鉻
WCB+Spherical surface with hard chrome plating
8
擺桿
Swing bar
WCB
4
上閥桿
Stem
2Cr13
9
支架
Blacket
Q235
5
密封圈
Seal Ring
耐磨橡膠
Anti-wear rubber
10
氣動裝置
Pneumatic device
成品件
Finished pieces
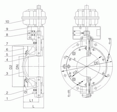
圓頂閥外形結構圖:

圓頂閥連接尺寸:
DN
L
L1
D0
D1
D2
D3
G
n-M
n-d
50
100
60
280
240
160
125
1/8
4-M12
4-18
65
110
70
250
210
180
145
1/8
4-M12
4-18
80
120
80
280
240
200
160
1/8
4-M12
6-18
100
130
95
335
295
240
200
1/8
4-M12
6-18
125
140
110
365
325
280
240
1/8
6-M12
6-22
150
160
125
390
350
320
280
1/8
6-M12
6-22
175
180
140
440
400
360
320
1/8
8-M12
8-22
200
205
155
520
470
415
315
1/8
8-M12
8-22
250
240
185
580
525
460
420
1/8
8-M20
12-27
300
280
220
640
585
530
470
1/8
8-M20
12-27
350
320
250
740
675
605
480
1/8
8-M20
12-27
圓頂閥安裝使用注意事項:
1、安裝前仔細閱讀說明書,并核對閥門型號、通徑及技術參數。
2、嚴禁裝上閥門后施焊法蘭,以免損壞閥門密封圈。管道自先預留的閥門安裝距離應適應,法蘭兩邊加墊片。
3、兩管道中心與閥門通徑中心應保持同軸,法蘭面應平整,不允許法蘭面有較大的偏斜,以保證閥門的夾緊和正常工作。擰緊螺栓應做到均勻對稱。
4、該閥門出廠前已做調整和動態試驗,氣路已經連接完好。
5、主要易損件為密封圈和閥芯。
圓頂閥工作原理:
圓頂閥閥芯是一個球面圓頂,圓頂閥在開關過程中,閥芯與橡膠密封圈間保持有約2mm的間隙,使閥芯與橡膠密封圈可以以無接觸的方式運動,目的是使閥芯與密封圈之間不產生摩擦,減少磨損。圓頂閥的氣動執行元件為全封閉回轉推桿式氣缸,直接驅動圓頂閥轉動,有效地防止了灰塵進入其中造成磨損、泄漏等現象的發生。當圓頂閥處于關閉狀態時,橡膠密封圈充氣,膨脹緊緊地壓在球面圓頂閥芯上,從而形成一個非??煽康拿芊猸h帶,阻止了管道內物料的流動。當圓頂閥開啟時,橡膠密封圈排氣,圓頂閥閥芯開啟,此時閥門打開。
圓頂閥性能特點:
圓頂閥零件材料:
序號 |
名稱 |
材料 |
序號 |
名稱 |
材料 |
1 |
閥體 |
WCB |
6 |
座板 |
WCB |
2 |
下閥桿 |
2Cr13 |
7 |
隔環 |
F6a |
3 |
半球體 |
WCB+球面鍍硬鉻 |
8 |
擺桿 |
WCB |
4 |
上閥桿 |
2Cr13 |
9 |
支架 |
Q235 |
5 |
密封圈 |
耐磨橡膠 |
10 |
氣動裝置 |
成品件 |
圓頂閥外形結構圖:

圓頂閥連接尺寸:
DN |
L |
L1 |
D0 |
D1 |
D2 |
D3 |
G |
n-M |
n-d |
50 |
100 |
60 |
280 |
240 |
160 |
125 |
1/8 |
4-M12 |
4-18 |
65 |
110 |
70 |
250 |
210 |
180 |
145 |
1/8 |
4-M12 |
4-18 |
80 |
120 |
80 |
280 |
240 |
200 |
160 |
1/8 |
4-M12 |
6-18 |
100 |
130 |
95 |
335 |
295 |
240 |
200 |
1/8 |
4-M12 |
6-18 |
125 |
140 |
110 |
365 |
325 |
280 |
240 |
1/8 |
6-M12 |
6-22 |
150 |
160 |
125 |
390 |
350 |
320 |
280 |
1/8 |
6-M12 |
6-22 |
175 |
180 |
140 |
440 |
400 |
360 |
320 |
1/8 |
8-M12 |
8-22 |
200 |
205 |
155 |
520 |
470 |
415 |
315 |
1/8 |
8-M12 |
8-22 |
250 |
240 |
185 |
580 |
525 |
460 |
420 |
1/8 |
8-M20 |
12-27 |
300 |
280 |
220 |
640 |
585 |
530 |
470 |
1/8 |
8-M20 |
12-27 |
350 |
320 |
250 |
740 |
675 |
605 |
480 |
1/8 |
8-M20 |
12-27 |



















