- 上海良大閥門有限公司
- 電話:021-51875578
- 傳真:021-57443237
- 手機:13916747333
- 郵箱:a15566@126.com
- 地址:奉賢區工業綜合開發區942號
當前位置:首頁 >> 球閥
>> 氣動球閥 >> 氣動帶手動Y型三通球閥 更新時間 2025-5-10 0:43:23
氣動球閥
| 氣動帶手動Y型三通球閥 |
![]() |
產品名稱: | 氣動帶手動Y型三通球閥 | |||||
| 型號: | QS642F/H/Y | ||||||
| 口徑: | DN50-400 | ||||||
| 壓力: | 1.0-6.4MPa | ||||||
| 材質: | 鑄鋼、不銹鋼等 | ||||||
|
|||||||
| 您正在瀏覽:【氣動帶手動Y型三通球閥】 | |||||||
氣動帶手動Y型三通球閥詳細介紹
氣動帶手動Y型三通球閥產品概述:
氣動帶手動Y型三通球閥是一種在正常情況下,采用氣動執行器遠程控制閥門,當出現氣源故障或氣缸不能工作時,仍可就地通過手動離合器進行介質流向切向的Y型三通球閥。該閥啟用手動機構時,先拔出限位銷,逆時針將手柄旋轉180°到上部,限位銷自動限位,轉動手輪,進行介質流向的切換,反之則為調成氣動控制,其手動驅動時,須關閉氣源,手動和氣動不可同時使用,否則會使驅動裝置損壞。
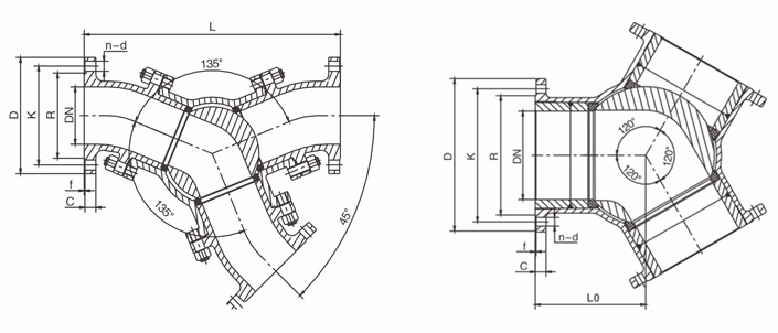
氣動帶手動Y型三通球閥流道采用120°或135°角設計,流體通道和管道的孔徑一致,且它任意徑向截面都為與管口內徑一致的圓,因此其軸向為圓滑設計,減少了流體阻力,避免紊流、氣蝕現象的產生,被輸送的介質不會在流道中被破壞,防止堵塞。該閥克服了T型和L型三通球閥連接通道的轉角都為90°直角,被輸送的介質容易在直角轉角處被碰碎,損壞產品品質并且易在轉角處堆積形成堵塞的問題。

氣動帶手動Y型三通球閥零件材料:

氣動帶手動Y型三通球閥外形結構圖:

氣動帶手動Y型三通球閥外形尺寸表:

氣動帶手動Y型三通球閥訂貨參數:
尊敬的客戶!如果您需要訂購我公司氣動帶手動Y型三通球閥產品,咨詢時請說明結構形式(L型、T型、Y型120°、Y型135°等)、公稱通徑、公稱壓力、閥體和內件材質、使用介質、工作溫度、執行器機構類型、法蘭標準及密封面形式等。
提示:本文中所有文字、數據、圖片均只適用于參考,需要了解更詳細的【氣動帶手動Y型三通球閥】參數、選型、價格等請聯系我們,我們將竭誠為您服務!



















