- 上海良大閥門有限公司
- 電話:021-51875578
- 傳真:021-57443237
- 手機:13916747333
- 郵箱:a15566@126.com
- 地址:奉賢區工業綜合開發區942號
當前位置:首頁 >> 球閥
>> Y型球閥 >> 電動Y型三通球閥 更新時間 2025-5-10 0:43:26
Y型球閥
| 電動Y型三通球閥 |
![]() |
產品名稱: | 電動Y型三通球閥 | |||||
| 型號: | Q942F/H/Y | ||||||
| 口徑: | DN50-400 | ||||||
| 壓力: | 1.0-6.4MPa | ||||||
| 材質: | 鑄鋼、不銹鋼等 | ||||||
|
|||||||
| 您正在瀏覽:【電動Y型三通球閥】 | |||||||
電動Y型三通球閥詳細介紹
電動Y型三通球閥產品概述:
電動Y型三通球閥主要由Y型三通球閥和電動執行機構及附件組成,其三通閥體中設有Y形流體通道以及放置有開啟或關閉流體通道的帶柄球體,電動執行器與閥桿頂部固定連接,并驅動閥桿帶動球體在閥體內轉動120°或135°,實現介質流向切換與自動控制的功能。本產品電動執行器可選用Z型多回轉系列、Q型部分回轉系列等。
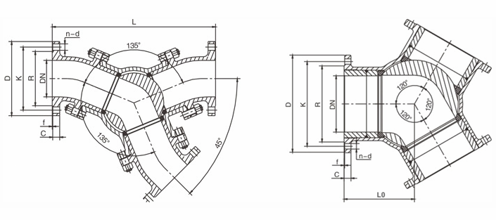
電動Y型三通球閥的兩通孔之間被設計成120°或135°的夾角,其主要通過球體在120°或135°之間的旋轉改變介質流向,所以它除了進口A、出口B,還有換向口C,普通閥門是不具備改變介質流向功能。其工作過程:閥門打開介質從A進入閥門,經B流出閥門,當旁路需要介質流入時,接通電源,電裝驅動閥桿旋轉120°或135°,球體換向,介質從A進C出,當旁路不需要介質流入時,電動執行機構再轉回120°或135°,介質流向改變。

電動Y型三通球閥零件材料:

電動Y型三通球閥外形結構圖:

電動Y型三通球閥外形尺寸表:

電動Y型三通球閥訂貨參數:
尊敬的客戶!如果您需要訂購我公司電動Y型三通球閥產品,咨詢時請提供結構型式(120°或135°)、公稱通徑、公稱壓力、閥體和內件材料、使用介質、工作溫度、法蘭標準和法蘭密封面形式等,本產品根據不同的工況需求可選用軟密封和金屬硬密封等。
提示:本文中所有文字、數據、圖片均只適用于參考,需要了解更詳細的【電動Y型三通球閥】參數、選型、價格等請聯系我們,我們將竭誠為您服務!



















