- 上海良大閥門有限公司
- 電話:021-51875578
- 傳真:021-57443237
- 手機:13916747333
- 郵箱:a15566@126.com
- 地址:奉賢區工業綜合開發區942號
當前位置:首頁 >> 球閥
>> Y型球閥 >> 硬密封Y型三通球閥 更新時間 2025-5-10 0:43:21
Y型球閥
| 硬密封Y型三通球閥 |
![]() |
產品名稱: | 硬密封Y型三通球閥 | |||||
| 型號: | Q42H/Y | ||||||
| 口徑: | DN50-400 | ||||||
| 壓力: | 1.0-6.4MPa | ||||||
| 材質: | 碳鋼、不銹鋼等 | ||||||
|
|||||||
| 您正在瀏覽:【硬密封Y型三通球閥】 | |||||||
硬密封Y型三通球閥詳細介紹
硬密封Y型三通球閥產品概述:
硬密封Y型三通球閥是一種密封副材料配對為金屬對金屬,適合安裝在Y形管路氣力輸送系統中,用于溫度較高且含有硬質固體顆粒的介質流向切換的閥門,其通過執行機構驅動帶柄球體在閥腔內正反向回轉120°或135°來控制物料的流動方向。該閥球體與閥座密封表面的硬化處理,可根據不同的使用溫度和介質硬度,采用超音速火焰噴涂、鎳基合金熱噴涂及激光熔覆合金噴焊等技術,以適應各種苛刻工況。本產品具有耐高溫、耐沖刷、耐磨損、流阻小以及密封性能好等特點。
硬密封Y型三通球閥產品優點:
硬密封Y型三通球閥在靠近介質通道進出口側的閥座和閥體之間設有圓柱螺旋彈簧,這樣既能滿足閥在低壓或無壓情況下的密封性能,又能提供一個較高的密封剪切力,使閥座與球體始終緊貼在一起,并在三通球閥切換的過程中閥座對球體表面吸附物起到刮削的清潔作用,從而不會把介質帶入密封副之間破壞密封面而導致閥門泄漏,同時它還可以形成熱膨脹活動補償結構,在熱膨脹的情況下,閥座位移可以被圓柱彈簧彈性活動補償,避免出現高溫球體卡死不能動作的情形。

硬密封Y型三通球閥零件材料:

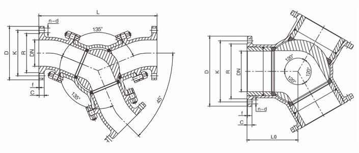
硬密封Y型三通球閥外形結構圖:

硬密封Y型三通球閥外形尺寸表:

硬密封Y型三通球閥產品訂貨參數:
尊敬的客戶!如果您需要訂購我公司硬密封Y型三通球閥產品,咨詢時請提供結構形式、公稱通徑、公稱壓力、閥體和內件材料、工作溫度、法蘭標準和法蘭密封面形式等。本產品可采用國標、美標、德標、日標等設計標準制造。
提示:本文中所有文字、數據、圖片均只適用于參考,需要了解更詳細的【硬密封Y型三通球閥】參數、選型、價格等請聯系我們,我們將竭誠為您服務!



















